SKF7208BEM轴承详细参数

发布时间:2026-05-30
角接触球轴承, 单列
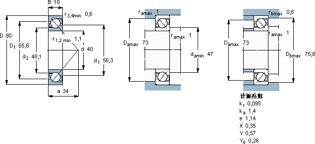
主要数据尺寸 尺寸 [英寸] 疲劳负荷限值 额定速度 体积 型号
动态 静态 参照速度 限制速度
d D B C C0 Pu
mm kN kN r/min kg -
40801834,5241,0210000100000,397208 BEM

SKF7208BEM角接触球轴承供应商

八零动力专业销售7208BEM角接触球轴承,库存SKF7208BEM大量现货,与SKF合作,咨询热线:022-58519723业务咨询
SKF7208BEM为您的机械注入强大动力,精湛的制造工艺赋予了这款轴承出色的性能和可靠性轴承的选材精良,确保了其具有良好的耐磨性和抗腐蚀性它的滚动体分布均匀,运转平稳无振动 它的沟槽设计,完美匹配滚动体的运动轨迹 畅享稳定顺滑的旋转之旅,,八零动力SKF角接触球轴承品种全,价格优,质量有保证!

用户关注最多的SKF轴承型号

SKF3209A-2RS1 SKF6315NR* SKF71936C SKFBT4B328955BG/HA1VA902* SKFCR120x150x12HMS4V SKFCR1563560 SKFCR45X75X10CRSH1R SKFCR50X62X7HMSA10V SKFCR65x95x10HMS4R SKFFNL515B SKFMB28 SKFNN3060/SPW33 SKFPCZ3632B SKFSYR3.-18 SKFYAT208-108

7208BEM角接触球轴承近似的SKF轴承型号

SKF7208C/DF SKF2x7208BEGAM* SKF7208C/DT SKF7208BECBM* SKF7208BEP SKF7208C SKF2x7208BEGAP* SKF7208BEGBY SKF7208BEY SKF7208BEP SKF7208C/DF SKF7208BEP

用户关注最多的轴承狗热门型号

LYC  29344/YA RIV  NJ2316 NTN  240/530BK30 TORRINGTON  UE209 SKF  51268 国产  6217/Z2 LYC  6212 E/C3 NSK  RNA4952 SKF  C4024K30V+AH24024* INA  RWS1808-200/x200/x38 INA  LR30X35X20,5 国产  T5GD070 TIMKEN  29680/29622D DKF  7316B IKO  CRB25025UU

版权所有©2009-2015 轴承狗zcgou.com ICP备案:津ICP备14004550号-13