SKF7208BECBM*轴承详细参数

发布时间:2026-05-29
角接触球轴承, 单列
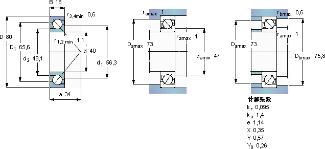
主要数据尺寸 尺寸 [英寸] 疲劳负荷限值 额定速度 体积 型号
动态 静态 参照速度 限制速度
d D B C C0 Pu * - SKF Explorer 轴承
mm kN kN r/min kg -
40801836,5261,111000110000,397208 BECBM *

SKF7208BECBM*角接触球轴承供应商

八零动力专业销售7208BECBM*角接触球轴承,库存SKF7208BECBM*大量现货,与SKF合作,咨询热线:022-58519723业务咨询
SKF7208BECBM*这款轴承的性能卓越,有效提升了设备的整体性能和可靠性性能卓越的它,为机械设备的稳定运行提供了可靠保障它在建筑机械中的应用,确保了设备的可靠性 它的抗震性能,确保了它在振动环境下的可靠性 该轴承的性能卓越,完全满足了各种严苛工况的需求其设计和制造工艺都达到了国际先进水平,是一款优质轴承,八零动力SKF角接触球轴承品种全,价格优,质量有保证!

用户关注最多的SKF轴承型号

SKF2215ETN9 SKF312-2ZNR SKF32034 SKF7248BCBM SKFC71911FB/P7 SKFCR1300240 SKFCR20X42X7HMSA10RG SKFFYRP1.11/16H SKFGE25ES SKFGE25TXE-2LS SKFHCCE060R SKFPCM040510E/VB055 SKFSILA50TXE-2LS SKFW034 SKFYET210-115

7208BECBM*角接触球轴承近似的SKF轴承型号

SKF7208BEGAM* SKF7208C SKF7208BEGBY SKF2x7208BEGAM* SKF7208B/DT SKF7208BECBP SKF7208AC/DB SKF7208BECBP* SKF2x7208BECBP* SKF7208BEM SKF7208BECBJ SKF7208BECBP*

用户关注最多的轴承狗热门型号

TIMKEN  012-8012-S FAG  23032-E1A-K-M + H3032 TIMKEN  AOH3960 FAG  S6204-2RSR FAG  HCB71903-C-T-P4S SNR  7016C BARDEN  71928C NACHI  30318D LYC  6305 E-2Z/C3 INA  RWS1808-300/x300/x204 SKF  GE160ES-2LS MAC  NU219 SKF  NUP326ECML* TIMKEN  GYA014RR LYC  2787/1083.7

版权所有©2009-2015 轴承狗zcgou.com ICP备案:津ICP备14004550号-13