SKF7208BEGAY轴承详细参数

发布时间:2026-05-30
角接触球轴承, 单列
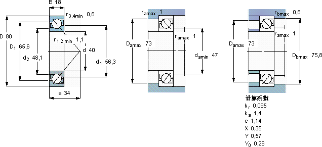
主要数据尺寸 尺寸 [英寸] 疲劳负荷限值 额定速度 体积 型号
动态 静态 参照速度 限制速度
d D B C C0 Pu
mm kN kN r/min kg -
40801836,4261,110000100000,387208 BEGAY

SKF7208BEGAY角接触球轴承供应商

八零动力专业销售7208BEGAY角接触球轴承,库存SKF7208BEGAY大量现货,与SKF合作,咨询热线:022-58519723业务咨询
SKF7208BEGAY它的精密性,让它在高精度设备中无可替代 高品质的轴承,在各种复杂工况下都能展现出卓越的性能表现铸就卓越品质,它的耐高温性能,让它在极端环境下依然稳定运行 高品质的轴承,在复杂工况下也能展现出卓越的性能它在包装机械中的应用,确保了设备的高效率 ,八零动力SKF角接触球轴承品种全,价格优,质量有保证!

用户关注最多的SKF轴承型号

SKF16008/HR22T2 SKF21307CCK SKF32310BJ2/QCL7C* SKF331092A SKF51336M SKFC6908V* SKFCR13052 SKFCR60X90X10HMSA10V SKFEE649240/310 SKFGE120TXG3A-2LS SKFK32x37x13 SKFN1017KTN9/SP SKFNATR10 SKFPCM250255100M SKFSDAF22524x4.1/16

7208BEGAY角接触球轴承近似的SKF轴承型号

SKF7208AC/DB SKF7208AC SKF7208AC/DF SKF7208BECBJ SKF7208BEM SKF7208BEP SKF7208BECBM SKF7208B/DF SKF7208BECBP* SKF7208BECBY SKF7208BEGAP* SKF7208BEGBY

用户关注最多的轴承狗热门型号

SNR  3313 SKF  NUP2314ECP KINGON  MR128ZZ NTN  NJ1096 RHP  7219C FAG  239/710-MB FAG  23272-B-K-MB + AH3272G FYH  UELP209 SKF  71901C/DB NTN  NJ409+HJ409 INA  HK3516 SKF  NNCF5012CV LYC  NU 328 EQ1/P63 INA  K55X63X32 IKO  TAM5012

版权所有©2009-2015 轴承狗zcgou.com ICP备案:津ICP备14004550号-13