SKF7205BEY轴承详细参数

发布时间:2026-04-14
角接触球轴承, 单列
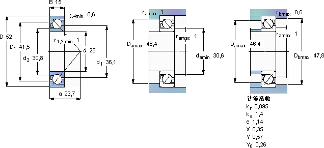
主要数据尺寸 尺寸 [英寸] 疲劳负荷限值 额定速度 体积 型号
动态 静态 参照速度 限制速度
d D B C C0 Pu
mm kN kN r/min kg -
25521515,610,20,4315000150000,137205 BEY

SKF7205BEY角接触球轴承供应商

八零动力专业销售7205BEY角接触球轴承,库存SKF7205BEY大量现货,与SKF合作,咨询热线:022-58519723业务咨询
SKF7205BEY它的旋转精度,让高速运转成为现实 轴承的耐用性出色,能够长时间保持良好的工作状态它的高效率,让机械运转更加节能 精准承载它在机床设备中的应用,确保了加工精度 这轴承的设计精妙,充分考虑了各种实际应用需求,八零动力SKF角接触球轴承品种全,价格优,质量有保证!

用户关注最多的SKF轴承型号

SKF32215J2/QDF SKF33108 SKF6011-2RS1* SKF71909CE/P4A SKFCR13060 SKFCR16062 SKFCR18425 SKFCR29465 SKFCR99167 SKFNJ215E SKFNNCF5036CV SKFNUP2217ECP* SKFS7009ACD/P4A SKFS71907DB/P7 SKFSDAF23196

7205BEY角接触球轴承近似的SKF轴承型号

SKF7205BEGAP* SKF2x7205BEGAY SKF2x7205BECBP* SKF7205BECBM SKF7205BECBY SKF7205AC/DF SKF2x7205BECBM* SKF7205C/DT SKF7205B/DB SKF7205C/DF SKF7205BEP SKF7206AC

用户关注最多的轴承狗热门型号

NTN  NF232 SKF  NK47/20 NSK  RLM2225 SKF  BC3B326277/HB1 国产  7030CETA NSK  52204 SKF  CR20X32X7HMSA10V FAG  BND3124-H-C-Y-BF-S FAG  BND2224-Z-Y-BF-S NACHI  7303BDT SKF  NA4905.2RS STEYR  54212 国产  N2318M/S0 NTN  N1034 IKO  CF8BM

版权所有©2009-2015 轴承狗zcgou.com ICP备案:津ICP备14004550号-13