SKF7202BECBP*轴承详细参数

发布时间:2026-04-14
角接触球轴承, 单列
主要数据尺寸 尺寸 [英寸] 疲劳负荷限值 额定速度 体积 型号
动态 静态 参照速度 限制速度
d D B C C0 Pu * - SKF Explorer 轴承
mm kN kN r/min kg -
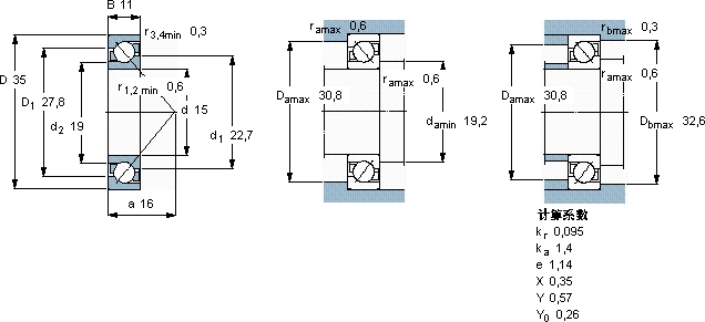
1535119,55,10,21626000260000,0457202 BECBP *

SKF7202BECBP*角接触球轴承供应商

八零动力专业销售7202BECBP*角接触球轴承,库存SKF7202BECBP*大量现货,与SKF合作,咨询热线:022-58519723业务咨询
SKF7202BECBP*高品质的轴承,在复杂工况下也能展现出卓越的性能是您设备高效运转的可靠伙伴,它的尺寸一致性,让批量生产成为可能 它的耐磨性能,让它在恶劣环境下依然稳定运行 它的抗压强度,让它承载能力惊人 它的使用寿命,远超同类产品 ,八零动力SKF角接触球轴承品种全,价格优,质量有保证!

用户关注最多的SKF轴承型号

SKF1312K SKF5215A SKF6306NR* SKF7013DB/P7 SKFCR30x56x8CRW1R SKFCR14215 SKFCR5606 SKFCR9667 SKFEE157337/157430 SKFFYTB15TF SKFHE3128L SKFNNU4996/W33 SKFRNA6904 SKFSNW3038x7 SKFZ303

7202BECBP*角接触球轴承近似的SKF轴承型号

SKF7202BEGBP* SKF2x7202BEGBP* SKF7202BEP SKF2x7202BECBP* SKF7202C SKF7202C/DT SKF7202AC/DB SKF7202C/DB SKF7202B SKF7202C/DF SKF7202CD/P4A SKF7202BEGAP*

用户关注最多的轴承狗热门型号

TIMKEN  M252349/M252310 国产  KZK14*18*13 LYC  23960 CL/W33 ASAHI  UCP212 SKF  32236J2/DF INA  TSUWZ32-PD SKF  33206/Q SKF  CR6215 FAG  H3026X408 INA  PAB40-PP-AS SKF  CR57584 SKF  NU2304E SKF  CR17675 国产  F/12*17*12 IKO  BR202820UU

版权所有©2009-2015 轴承狗zcgou.com ICP备案:津ICP备14004550号-13