SKF7202BEP轴承详细参数

发布时间:2026-04-14
角接触球轴承, 单列
主要数据尺寸 尺寸 [英寸] 疲劳负荷限值 额定速度 体积 型号
动态 静态 参照速度 限制速度
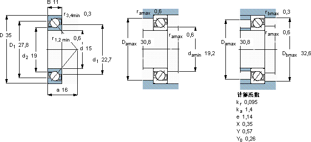
d D B C C0 Pu
mm kN kN r/min kg -
1535118,844,80,20424000240000,0457202 BEP

SKF7202BEP角接触球轴承供应商

八零动力专业销售7202BEP角接触球轴承,库存SKF7202BEP大量现货,与SKF合作,咨询热线:022-58519723业务咨询
SKF7202BEP该轴承的性能出色,有效提升了机械设备的整体性能它的密封性能,减少了润滑剂的泄漏 它的多样化应用,展现了它的无限可能 它的耐高温性能,让它在极端环境下依然稳定运行 轴承的性能可靠,为机械设备的稳定运行立下汗马功劳不得不说,这款轴承的品质过硬,在行业内堪称典范,,八零动力SKF角接触球轴承品种全,价格优,质量有保证!

用户关注最多的SKF轴承型号

SKF24024CC/W33* SKF33118/Q SKF33287/33462/Q SKF71907DB/P7 SKFC2215KV+H315* SKFCR19x32x6.3CRW1R SKFCR33712 SKFCR37327 SKFCR402502 SKFCR48X70X10HMS5RG SKFCR99162 SKFHK1712 SKFHM3196 SKFNJ2207ECP SKFNNCF4934CV

7202BEP角接触球轴承近似的SKF轴承型号

SKF2x7202BEGBP* SKF7202C SKF7202B SKF7202BEP SKF7202AC/DT SKF7202BEGBP* SKF2x7202BECBP* SKF7202C/DF SKF2x7202BEGAP* SKF7202AC SKF7202BEGBP* SKF7203AC

用户关注最多的轴承狗热门型号

FYH  UKK312+H2312 LYC  6907 2RS SKF  KD10-304 NSK  23052CAKE4 SKF  21308CC 国产  N052F1 FAG  SNV130-L + 2312-K-TVH-C3 + H2312X202 + FSV612X202 SKF  6007/HR22T2 FAG  HCB7012-E-T-P4S NTN  UKK311+H2311 SKF  22236-2CS5/VT143* FAG  SNV180-L + 23220-E1-K-TVPB + H2320X310 + TSV520X31 RHP  7022C/DF IKO  CFES12R IKO  LRTZ9010536

版权所有©2009-2015 轴承狗zcgou.com ICP备案:津ICP备14004550号-13