
SKFCR99491轴承详细参数
发布时间:2026-04-14
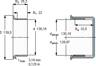
| | | | | | | | | | |
| 耐磨套管, SKF SPEEDI-SLEEVE | | |
 |
| 轴 | SKF SPEEDI-SLEEVE | | |
| | 尺寸 | 型号 | US stock | 说明 |
| da | d | D | B1 | B2 | Ba | number | |
| 最小 | 最大 | ±1,6 mm | ±0,8 mm | ±0,8 mm | ≈ | | |
| | | | ±0,063 in | ±0,031 in | ±0,031 in | | | | |
 |
| mm | mm | - | - | - |
 |
| 129,97 | 130,18 | 130,18 | 139,5 | 22 | 25,3 | 32,5 | CR 99491 | 99491 | |
SKFCR99491耐磨轴套供应商
- 八零动力专业销售CR99491耐磨轴套,库存SKFCR99491大量现货,与SKF合作,咨询热线:022-58519723

- SKFCR99491它的质量过硬,为机械设备的高效、安全运行提供了保障它的润滑技术,减少了润滑剂的使用 它的径向跳动控制,达到了行业顶尖水平 零误差起步这轴承的选材讲究,坚固耐用,寿命远超同类产品它的耐磨性能,让它在恶劣环境下依然稳定运行 ,八零动力SKF耐磨轴套品种全,价格优,质量有保证!
用户关注最多的SKF轴承型号
SKF234714B
SKF3309DMA
SKF332060
SKF6204ETN9
SKF7000C/DF
SKFC3140*
SKFCR14939
SKFCR36X47X7HMS5RG
SKFCR38x65x8CRW1R
SKFH205
SKFIR15x20x12IS1
SKFMS30/1000
SKFNU307ECP
SKFOKBS68
SKFOKC640