SKF7200BECBP轴承详细参数

发布时间:2026-05-30
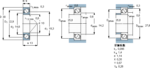
角接触球轴承, 单列
主要数据尺寸 尺寸 [英寸] 疲劳负荷限值 额定速度 体积 型号
动态 静态 参照速度 限制速度
d D B C C0 Pu
mm kN kN r/min kg -
103097,023,350,1430000300000,037200 BECBP

SKF7200BECBP角接触球轴承供应商

八零动力专业销售7200BECBP角接触球轴承,库存SKF7200BECBP大量现货,与SKF合作,咨询热线:022-58519723业务咨询
SKF7200BECBP铸就卓越品质,这款轴承的性能卓越,有效提高了设备的运行可靠性这轴承的设计巧妙,充分考虑了设备的运行需求和维护便利性匠心制造质量上乘的轴承,为设备的高效稳定运行奠定了基础以精湛工艺,八零动力SKF角接触球轴承品种全,价格优,质量有保证!

用户关注最多的SKF轴承型号

SKF15101/15245 SKF21322CCK SKF249/1320CAF/W33 SKFC3072KM+OH3072H* SKFCR10X19X7HMS5V SKFCR110X140X12HMS5RG SKFCR31299 SKFCR35X72X12HMSA10RG SKFCR47475 SKFFSAF22520x3.3/8 SKFFY2.7/16TF/AH SKFKD10-404 SKFNJ317ECM* SKFSONL238-538 SKFYEL211-2F

7200BECBP角接触球轴承近似的SKF轴承型号

SKF7200BEP SKF7200AC/DT SKF7200C SKF2x7200BECBP SKF7200BEP SKF7200BECBP SKF7200AC SKF7200BECBP SKF7200C/DF SKF7200B/DT SKF7200CD/P4A SKF7200BEP

用户关注最多的轴承狗热门型号

国产  51138 国产  6213-2Z TIMKEN  *T611FSA-T611SA KOYO  23092RHA SNR  7214B/DF INA  RUDS35-D SKF  BA2B311686 LYC  5691/750 国产  1311K ASK  NU1019 LYC  22311 CK/W33 ASK  NU413 SKF  NCF3004CV LYC  SN 718/600 C IKO  POSB8

版权所有©2009-2015 轴承狗zcgou.com ICP备案:津ICP备14004550号-13