SKF7200BEP轴承详细参数

发布时间:2026-04-15
角接触球轴承, 单列
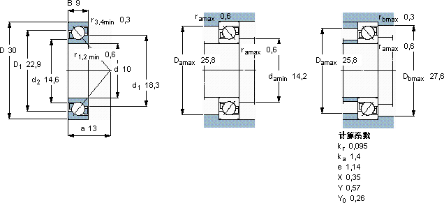
主要数据尺寸 尺寸 [英寸] 疲劳负荷限值 额定速度 体积 型号
动态 静态 参照速度 限制速度
d D B C C0 Pu
mm kN kN r/min kg -
103097,023,350,1430000300000,0307200 BEP

SKF7200BEP角接触球轴承供应商

八零动力专业销售7200BEP角接触球轴承,库存SKF7200BEP大量现货,与SKF合作,咨询热线:022-58519723业务咨询
SKF7200BEP它的耐磨性能,让它在恶劣环境下依然稳定运行 设计合理、性能优良的轴承,是机械设备的理想之选它的轴向跳动控制,确保了机械的平稳运行 性能优越的轴承,极大地提升了设备的工作性能和效率高品质的轴承,在各种复杂环境下都能稳定发挥作用这款轴承的运转十分平稳,几乎感受不到任何震动,八零动力SKF角接触球轴承品种全,价格优,质量有保证!

用户关注最多的SKF轴承型号

SKF5220A SKF7020C/DT SKF7230AC/DF SKFCR30x47x7CRW1R SKFCR490x530x20HDS1R1 SKFHA3036 SKFK28x35x18 SKFNCF28/530V SKFNJ236E SKFNNTR70x180x85.2ZL SKFRN-4x34.8BF/G2 SKFSDAF23256 SKFSNW34x5.15/16 SKFSYH1.15/16RM SKFUCFU216

7200BEP角接触球轴承近似的SKF轴承型号

SKF7200C SKF7200C/DF SKF2x7200BECBP SKF7200AC/DB SKF7200C/DT SKF7200BECBP SKF7200AC/DF SKF7200BEP SKF7200C/DB SKF7200AC SKF7200BECBP SKF7201AC

用户关注最多的轴承狗热门型号

SNR  6018-2RS NTN  61815N NSK  23980CAKE4 LYC  QJF1034 FAG  SNV052-L + 1205-K-TVH-C3 + H205X013 + DH505 MRC  6213-Z NACHI  SN526E LYC  BFCDP 138196750/P5/02(1*1) NACHI  6207ZZE KOYO  47T242117 LYC  6204 E/P53Z2 GMN  7001AC/DF SKF  CR11545 LYC  6314 E-2RZ IKO  TAFI71712

版权所有©2009-2015 轴承狗zcgou.com ICP备案:津ICP备14004550号-13