SKF718/1000AMB轴承详细参数

发布时间:2026-04-14
角接触球轴承, 单列
主要数据尺寸 尺寸 [英寸] 疲劳负荷限值 额定速度 体积 型号
动态 静态 参照速度 限制速度
d D B C C0 Pu
mm kN kN r/min kg -
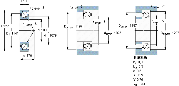
10001220100923275039400430245718/1000 AMB

SKF718/1000AMB角接触球轴承供应商

八零动力专业销售718/1000AMB角接触球轴承,库存SKF718/1000AMB大量现货,与SKF合作,咨询热线:022-58519723业务咨询
SKF718/1000AMB它的加工设备,代表了世界领先水平 先进的制造工艺,让这款轴承的性能更加稳定可靠它在机器人领域的应用,展现了它的高精密性 轴承的耐用性极佳,为设备的长期稳定运行提供了保障转动精彩它的抗疲劳性能,确保了长期使用的可靠性 ,八零动力SKF角接触球轴承品种全,价格优,质量有保证!

用户关注最多的SKF轴承型号

SKF1311EKTN9 SKF1315 SKF2307E-2RS1TN9 SKF30240J2 SKF6003N SKFAH24034 SKFBTM120A/HCP4CDBB SKFCR160X180X15CRSH13R SKFCR418500 SKFIR32x37x30 SKFLL566848/810/HAI SKFOKF640 SKFPFD1.1/2TF SKFPFT30RM SKFW18

718/1000AMB角接触球轴承近似的SKF轴承型号

SKF71892AGMB SKF718/710AMB SKF718/600AC/DBVQ074 SKF2x718/710ACGMB SKF2x71892AGMB SKF71872ACM/P5DB SKF2x718/670AGMB SKF718/530AC/VQ074 SKF2x718/530AGMB SKF2x718/750AGMB SKF71892AGMB SKF718/1120AMB

用户关注最多的轴承狗热门型号

国产  NJ202 国产  2222 SKF  W61901 ZKL  NJ304 SKF  LR12x15x16.5 KOYO  22322CCK/W33 SKF  CR20428 SKF  PF1.11/16FM TIMKEN  17118-S/17244 国产  239/170 NTN  23156CACK/33+H3156 TORRINGTON  22324CC/W33 STEYR  6210-2RS SKF  33287/33462/Q IKO  LRT607030

版权所有©2009-2015 轴承狗zcgou.com ICP备案:津ICP备14004550号-13