SKF71892AGMB轴承详细参数

发布时间:2026-04-14
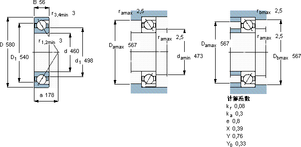
角接触球轴承, 单列
主要数据尺寸 尺寸 [英寸] 疲劳负荷限值 额定速度 体积 型号
动态 静态 参照速度 限制速度
d D B C C0 Pu
mm kN kN r/min kg -
4605805637176514,31100110034,571892 AGMB

SKF71892AGMB角接触球轴承供应商

八零动力专业销售71892AGMB角接触球轴承,库存SKF71892AGMB大量现货,与SKF合作,咨询热线:022-58519723业务咨询
SKF71892AGMB它的耐腐蚀性,让它经久不衰 它的使用寿命,远超同类产品 优秀的轴承,就像精密仪器的心脏,确保着整个系统的高效运转卓越的性能表现,让这款轴承在市场上脱颖而出它的每一次转动,都是对效率的极致追求 轴承的耐用性极佳,为设备的长期稳定运行提供了保障,八零动力SKF角接触球轴承品种全,价格优,质量有保证!

用户关注最多的SKF轴承型号

SKF2201ETN9 SKF23022-2CS/VT143* SKF231/500CA/W33 SKF23164CAC/W33 SKF6002-RSH* SKF71938C/DF SKF7336BCBM SKFC5918-2CS5V* SKFCR95X115X12CRSA1R SKFFYR3.11/16-18 SKFH307C SKFNU219ECJ* SKFPCM707570B SKFPF50WF SKFT2ED070/QCLNVB061

71892AGMB角接触球轴承近似的SKF轴承型号

SKF2x71892AGMB SKF71892AGMB SKF71876ACGAMB SKF718/1000AMB

用户关注最多的轴承狗热门型号

FAG  B7036-E-T-P4S SKF  CR7481 MRC  7009C/DF SKF  RPNA40/55 NTN  N2230 TIMKEN  K70X76X30 MAC  NU1021 NACHI  NJ422 INA  GAY35-NPP-B NTN  7314AC/DF INA  G1203-KRR-B-AS2/V SKF  51212 SKF  SYE3.1/2H-18 SKF  BT4B332188/HA1 SKF  SNW24x4.3/16

版权所有©2009-2015 轴承狗zcgou.com ICP备案:津ICP备14004550号-13