SKF70/750AMB轴承详细参数

发布时间:2026-05-30
角接触球轴承, 单列
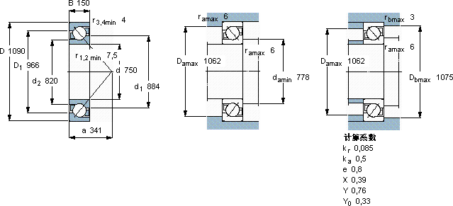
主要数据尺寸 尺寸 [英寸] 疲劳负荷限值 额定速度 体积 型号
动态 静态 参照速度 限制速度
d D B C C0 Pu
mm kN kN r/min kg -
7501090150130036505253056044570/750 AMB

SKF70/750AMB角接触球轴承供应商

八零动力专业销售70/750AMB角接触球轴承,库存SKF70/750AMB大量现货,与SKF合作,咨询热线:022-58519723业务咨询
SKF70/750AMB它的疲劳强度,确保了长期使用的可靠性 它在农业机械中的应用,展现了它的耐用性 它的表面硬化处理,延长了它的使用寿命 高精度的制造工艺,让这款轴承的性能更加出色高品质的轴承,在复杂工况下也能展现出卓越的性能它的高效率,减少了能源消耗 ,八零动力SKF角接触球轴承品种全,价格优,质量有保证!

用户关注最多的SKF轴承型号

SKF52217 SKF618/1700MB SKF7206C/DB SKFCR14994 SKFCR1600249 SKFCR30X45X7HMS5RG SKFCR560x610x20HDS1V SKFCR75X95X10HMSA10V SKFEE763330/410 SKFN1016KTNHA/HC5SP SKFNJ413+HJ413 SKFNKI100/40 SKFNNF5044ADA-2LSV SKFPCM151720B SKFPFT15/16RM

70/750AMB角接触球轴承近似的SKF轴承型号

SKF7011C/DB SKF7007AC/DT SKF70/500AM SKF7088BM SKF7084AM SKF7032C SKF718/670AMB SKF7092BM SKF7026AC/DT SKF7030C/DF SKF70/710AMB SKF70/800AMB

用户关注最多的轴承狗热门型号

NACHI  SN632E STEYR  51160 SKF  NU218E STEYR  2308K SKF  NU1056 SKF  SYL40TR/VE495 TIMKEN  K40X50X27H DKF  7020AC/DF NTN  NU2240 GMN  7202AC/DF NTN  7828C LYC  LY-S004-02 NACHI  6008-2NSE TIMKEN  679/672D/X2S-679 INA  CSXG200

版权所有©2009-2015 轴承狗zcgou.com ICP备案:津ICP备14004550号-13