SKF70/710AMB轴承详细参数

发布时间:2026-04-15
角接触球轴承, 单列
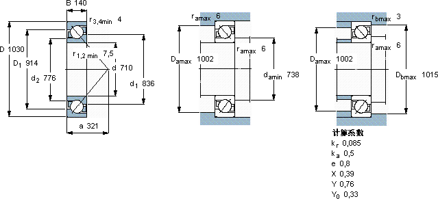
主要数据尺寸 尺寸 [英寸] 疲劳负荷限值 额定速度 体积 型号
动态 静态 参照速度 限制速度
d D B C C0 Pu
mm kN kN r/min kg -
71010301401190325046,556060037070/710 AMB

SKF70/710AMB角接触球轴承供应商

八零动力专业销售70/710AMB角接触球轴承,库存SKF70/710AMB大量现货,与SKF合作,咨询热线:022-58519723业务咨询
SKF70/710AMB它在食品机械中的应用,展现了它的卫生性能 它的材质选择,体现了对耐用性的极致追求 它的滚动体分布均匀,运转平稳无振动 这轴承的精度控制令人佩服,为设备的精准运行提供了保障它的耐高温性能,让它在极端环境下依然稳定运行 承载未来,八零动力SKF角接触球轴承品种全,价格优,质量有保证!

用户关注最多的SKF轴承型号

SKF16028 SKF23284CA/W33* SKF2317/710CA/W33 SKF6013-RS1* SKFAOHX3192G SKFBEAM040115-2RS SKFCR16497 SKFFYRP2.1/2H SKFMB16 SKFNU30/600ECMA/HA1 SKFSNW126x4.3/8 SKFSNW136x6.7/16 SKFSY2.11/16TF/AH SKFSYL1.1/4TH SKFYAR204-012-2F

70/710AMB角接触球轴承近似的SKF轴承型号

SKF2x7076BGM SKF7007C/DB SKF7084BGM SKF7019C/DB SKF7015C SKF7006AC SKF70/800AMB SKF7015C/DF SKF70/500BM SKF7012C/DB SKF70/670AMB SKF70/750AMB

用户关注最多的轴承狗热门型号

KOYO  23140RHAK+AH3140 NSK  7322B SKF  SIKB10F NACHI  6001-2NSE SKF  HN2016 SKF  NK40/30 SKF  7012ACE/P4A NACHI  23072EW33K SKF  CR402202 SKF  PCZ0708B SKF  23136CCK/W33 KOYO  54228U TORRINGTON  21311CCK NACHI  6006NR SKF  22220CCK/W33+H320

版权所有©2009-2015 轴承狗zcgou.com ICP备案:津ICP备14004550号-13