SKF2x7084BGM轴承详细参数

发布时间:2026-05-30
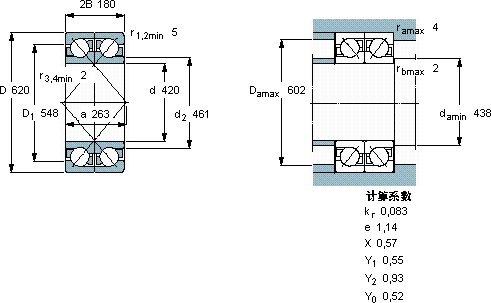
角接触球轴承, 单列,用于配对安装, 面对面配对
主要数据尺寸 基本负荷额定值 疲劳负荷限值 额定速度 体积 型号 轴承配对
动态 静态 参照速度 限制速度
d D 2B C C0 Pu
mm kN kN r/min kg --
42062018087121204080010001772 × 7084 BGMDF

SKF2x7084BGM角接触球轴承供应商

八零动力专业销售2x7084BGM角接触球轴承,库存SKF2x7084BGM大量现货,与SKF合作,咨询热线:022-58519723业务咨询
SKF2x7084BGM它的使用寿命,远超同类产品 设计合理、性能优良的它,是机械设备实现高效运行的重要保障它的静音设计,让机械运转如丝般顺滑 它的材质选择,体现了对耐用性的极致追求 它的耐高温性能,减少了冷却系统的能耗 这轴承的精度控制令人佩服,为设备的精准运行提供了保障,八零动力SKF角接触球轴承品种全,价格优,质量有保证!

用户关注最多的SKF轴承型号

SKF30208RJ2/Q SKF51152M SKF6003-2RZ SKF61905 SKF6208-2ZNR* SKF81144 SKFAXW20 SKFC3048K+OH3048H* SKFCR12446 SKFCR13937 SKFCR70X95X10HMSA10RG SKFNUP218ECP SKFSAL15C SKFSYL20TR/VE495 SKFZ210

2x7084BGM角接触球轴承近似的SKF轴承型号

SKF7084AM SKF7084BGM SKF2x7084BGM SKF2x7076BGM SKF2x708/500AGMB

用户关注最多的轴承狗热门型号

FAG  BND3172-H-C-Y-BL-S KOYO  NJ2334 RHP  7300B/DB SKF  AH24032 LYC  61884 LYC  7816E/01 KOYO  EE220975D/1575/1576D BARDEN  7234AC/DF FLT  NU214 INA  ZARF2080-TV KOYO  33211 TIMKEN  H432549D/H432510/H432510EA NSK  22252CAKE4 INA  HK1516-2RS KOYO  23FC1690

版权所有©2009-2015 轴承狗zcgou.com ICP备案:津ICP备14004550号-13