SKF7064BGM轴承详细参数

发布时间:2026-05-30
角接触球轴承, 单列
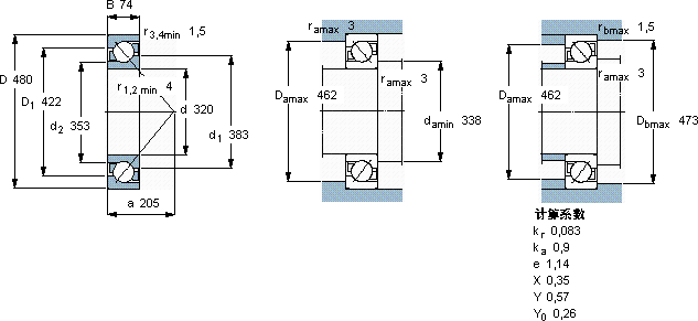
主要数据尺寸 尺寸 [英寸] 疲劳负荷限值 额定速度 体积 型号
动态 静态 参照速度 限制速度
d D B C C0 Pu
mm kN kN r/min kg -
32048074390670141300140044,57064 BGM

SKF7064BGM角接触球轴承供应商

八零动力专业销售7064BGM角接触球轴承,库存SKF7064BGM大量现货,与SKF合作,咨询热线:022-58519723业务咨询
SKF7064BGM稳定的传奇它的可回收性,体现了环保理念 其质量上乘,是众多机械设备不可或缺的优质配件它的密封性能,完美抵御灰尘和杂质的侵袭 为您创造更多可能,高精度低摩擦,八零动力SKF角接触球轴承品种全,价格优,质量有保证!

用户关注最多的SKF轴承型号

SKF1309K SKF22211EK+H311* SKF241/750CA/W33 SKF2x7306BEGBP* SKF319436DA-2LS SKF61924 SKFBFDB353200/HA3 SKFBK0509 SKFBS2-2308-2CSK/VT143* SKFCR34840 SKFCR960X1020X25HDS2D1 SKFFYTM1.1/2TF/AH SKFGEP420FS SKFH3038 SKFNNU4934/W33

7064BGM角接触球轴承近似的SKF轴承型号

SKF2x7064BGM SKF7064BGM SKF7060BGM SKF7068BGM

用户关注最多的轴承狗热门型号

FAG  SNV062-L + 20206-K-TVP-C3 + H206X015 + TSV506X015 KOYO  7340AC/DB SKF  7310BECBM BARDEN  71938C/DT MRC  7026C SKF  VJ-PDRJ316 SKF  NA6903 INA  KGSC50-PP-AS SKF  CR72X100X10HMS5V NACHI  6807ZENR NSK  NU236EM SKF  NU315ECP/VL0241 NSK  53413U SKF  FY25FM IKO  LM5080100UU

版权所有©2009-2015 轴承狗zcgou.com ICP备案:津ICP备14004550号-13