SKF7068BGM轴承详细参数

发布时间:2026-04-15
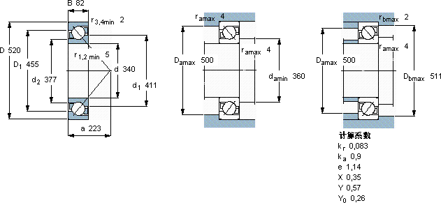
角接触球轴承, 单列
主要数据尺寸 尺寸 [英寸] 疲劳负荷限值 额定速度 体积 型号
动态 静态 参照速度 限制速度
d D B C C0 Pu
mm kN kN r/min kg -
3405208244981516,61200130061,57068 BGM

SKF7068BGM角接触球轴承供应商

八零动力专业销售7068BGM角接触球轴承,库存SKF7068BGM大量现货,与SKF合作,咨询热线:022-58519723业务咨询
SKF7068BGM轴承的耐用性强,减少了设备的停机维护时间优秀的设计和卓越的性能,让这款轴承备受青睐它的抗冲击能力,让它经久不衰 卓越的性能和可靠的质量,让这款轴承成为市场的宠儿它的加工精度,确保了机械运转的稳定性 为您的工程保驾护航,,八零动力SKF角接触球轴承品种全,价格优,质量有保证!

用户关注最多的SKF轴承型号

SKF29412 SKF30205J2/Q SKF3205A-2RS1/MT33* SKF71920AC SKFAH2336/160G SKFCR1200243 SKFCR18895 SKFCR28X44X6HMS5V SKFCR70X90X12HMSA10RG SKFNJ418 SKFNK43/30 SKFNNCF5004CV SKFNNU6048M SKFRN-3.5x13.8BF/G2 SKFSALA70ES-2RS

7068BGM角接触球轴承近似的SKF轴承型号

SKF7068BGM SKF2x7068BGM SKF7064BGM SKF7072AGM

用户关注最多的轴承狗热门型号

SNR  7312AC/DT TIMKEN  15101/15251D NSK  7212CTYNP5 DKF  7316AC TIMKEN  34294/34478D INA  FLCTEY40 SKF  71988ACMB SNR  6011-Z KOYO  6204-2RS FAG  AH2260-H SKF  YAR207-106-2RF/HV SKF  CR60006 FAG  SNV170-L + 21316-E1 + FSV316 SKF  NCF2964CV FAG  23136-E1A-M

版权所有©2009-2015 轴承狗zcgou.com ICP备案:津ICP备14004550号-13