SKF6408NR轴承详细参数

发布时间:2026-05-29
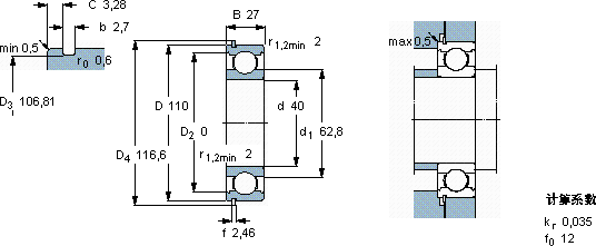
深沟球轴承, 单列,带止动环槽, 无密封件
主要数据尺寸 基本负荷额定值 疲劳负荷限值 额定速度 体积 型号
动态 静态 参照速度 限制速度 轴承 止动环
(R = 带止动环)
d D B C C0 Pu
mm kN kN r/min kg -
401102763,736,51,531400090001,256408 NRSP 110

SKF6408NR深沟球轴承供应商

八零动力专业销售6408NR深沟球轴承,库存SKF6408NR大量现货,与SKF合作,咨询热线:022-58519723业务咨询
SKF6408NR以卓越品质它的抗压强度,让它承载能力惊人 它的高效率,减少了能源消耗 它的圆度误差几乎可以忽略不计 制造工艺精湛,使得这款轴承的精度、稳定性和耐用性都非常出色先进的制造技术和严格的质量控制,造就了这款优质轴承,八零动力SKF深沟球轴承品种全,价格优,质量有保证!

用户关注最多的SKF轴承型号

SKF23024-2CS2/VT143* SKF314563/VJ202 SKF32309 SKF350981C SKF61917 SKF61968 SKF71908ACE/P4A SKFCR115X140X12HMSA10RG SKFCR30X46X7HMSA10RG SKFCR66219 SKFIR60x70x25 SKFKR16PPSKA SKFNJ318ECJ* SKFPCZ8060B SKFSAF23040KAx7.1/4

6408NR深沟球轴承近似的SKF轴承型号

SKF6408N SKF6408 SKF6408NR SKF6408N SKF6409

用户关注最多的轴承狗热门型号

FAG  SNV215-L + 20224-K-MB-C3 + H3024X404 + FSV524X404 ASAHI  UCFLU315 SNR  2216 FAG  VRE308-B SKF  SYE1.7/16-3 KOYO  HH228349/10 KOYO  7001AC/DT SKF  KMFE5 SKF  QJ207MA SKF  S71913ACD/P4A TIMKEN  NJ307E.TVP SKF  NJ2210ECP 国产  99502H INA  MSX55-E IKO  CFE20-1VBR

版权所有©2009-2015 轴承狗zcgou.com ICP备案:津ICP备14004550号-13