SKF6408轴承详细参数

发布时间:2026-04-15
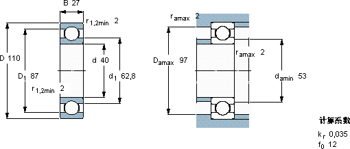
深沟球轴承, 单列, 无密封件
主要数据尺寸 基本负荷额定值 疲劳负荷限值 额定速度 体积 型号
动态 静态 参照速度 限制速度
d D B C C0 Pu
mm kN kN r/min kg -
401102763,736,51,531400090001,256408

SKF6408深沟球轴承供应商

八零动力专业销售6408深沟球轴承,库存SKF6408大量现货,与SKF合作,咨询热线:022-58519723业务咨询
SKF6408是您机械世界里的不败功臣,它的沟槽设计,完美匹配滚动体的运动轨迹 它在机床设备中的应用,确保了加工精度 性能优越的轴承,极大地提高了设备的工作效率和稳定性它的精密设计,展现了人类智慧的巅峰 每一次旋转,都是品质的见证,,八零动力SKF深沟球轴承品种全,价格优,质量有保证!

用户关注最多的SKF轴承型号

SKF4311ATN9 SKF71802ACD/HCP4 SKF7226BGAM SKFBNTB326247/HB1 SKFCR17847 SKFCR400451 SKFCR45X60X8HMSA10V SKFHA2334 SKFNJ417+HJ417 SKFNUP2213ECP* SKFNUP234E SKFPCM060808B SKFSNL3038 SKFSIJ50ES SKFYEL204-012-2FCW

6408深沟球轴承近似的SKF轴承型号

SKF6408NR SKF6408 SKF6408N SKF6407NR SKF6408N

用户关注最多的轴承狗热门型号

NTN  232/500BK+H32/500 国产  K58*63*20 KOYO  NU316 KOYO  48FC34220 SKF  6314NR* LYC  FCDP130180650HC LYC  6206 E-2Z/C3 NTN  NU214 SKF  623/HR11TN SNR  60/28 SKF  29434 MRC  7308B/DF TIMKEN  67388/67325D DKF  7214AC/DT IKO  LWESG25.../U

版权所有©2009-2015 轴承狗zcgou.com ICP备案:津ICP备14004550号-13