SKF63/22轴承详细参数

发布时间:2026-04-14
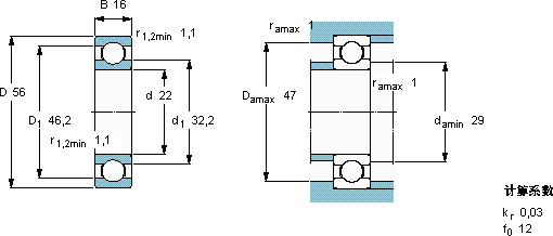
深沟球轴承, 单列, 无密封件
主要数据尺寸 基本负荷额定值 疲劳负荷限值 额定速度 体积 型号
动态 静态 参照速度 限制速度
d D B C C0 Pu
mm kN kN r/min kg -
22561618,69,30,3928000180000,1863/22

SKF63/22深沟球轴承供应商

八零动力专业销售63/22深沟球轴承,库存SKF63/22大量现货,与SKF合作,咨询热线:022-58519723业务咨询
SKF63/22卓越的性能表现,使这款轴承在市场上拥有良好的口碑这款轴承的精度极高,能够满足对精度要求苛刻的设备轴承的稳定性和可靠性表现出色,赢得了用户的高度认可优秀的轴承,就像精密仪器的心脏,确保着整个系统的高效运转它的品质卓越,为机械设备的高效运行提供了坚实后盾它的可回收性,体现了环保理念 ,八零动力SKF深沟球轴承品种全,价格优,质量有保证!

用户关注最多的SKF轴承型号

SKF24028-2CS5/VT143* SKF3318DMA SKF6003-Z* SKF7008DB/P7 SKF71910FB/P7 SKFC30/750KMB* SKFCR1000250 SKFCR1400240 SKFCR32X72X7HMSA10V SKFCR60X90X8HMS5RG SKFCR99224 SKFFSYE2.1/2-3 SKFPCM141625E SKFSNW134x5.7/8 SKFSYJ55KF

63/22深沟球轴承近似的SKF轴承型号

SKF6308-2RS SKF6301* SKFE2.6302-2Z/C3 SKF6306-2R1 SKF6317-2RS SKFW6303 SKF6314* SKF63006-2RS1 SKF6311-2RS SKFW638/3-2Z SKF638/8-2Z SKF63/28

用户关注最多的轴承狗热门型号

NSK  232/670CAMKE4 TIMKEN  180FSH290-TT SKF  BNTB326247/HB1 TIMKEN  30218/30218 SKF  2207EKTN9 SKF  618/750MA KOYO  NU322 NTN  23084CAC/W33 国产  UCFLU211 SKF  YEL205-014-2FCW LYC  NN 3092 K/P6 KOYO  F623 FAG  BND3164-H-W-T-AL-S IKO  TA916Z IKO  SB11017093

版权所有©2009-2015 轴承狗zcgou.com ICP备案:津ICP备14004550号-13