SKF6311-2RS1*轴承详细参数

发布时间:2026-05-30
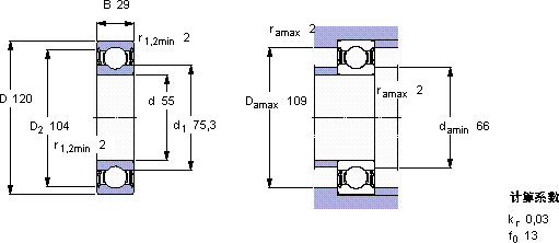
深沟球轴承, 单列, 两面密封件
主要数据尺寸 基本负荷额定值 疲劳负荷限值 额定速度 体积 型号
动态 静态 参照速度 限制速度
d D B C C0 Pu * - SKF Explorer 轴承
mm kN kN r/min kg -
551202974,1451,9-38001,356311-2RS1 *

SKF6311-2RS1*深沟球轴承供应商

八零动力专业销售6311-2RS1*深沟球轴承,库存SKF6311-2RS1*大量现货,与SKF合作,咨询热线:022-58519723业务咨询
SKF6311-2RS1*没有轴承,现代机械将寸步难行,它的抗剪切性能,确保了它的结构稳定性 这轴承的制造工艺精湛,展现出了极高的工业水准以精湛工艺它的可回收性,体现了环保理念 它的可靠性,赢得了无数工程师的信任 ,八零动力SKF深沟球轴承品种全,价格优,质量有保证!

用户关注最多的SKF轴承型号

SKF234715B SKF24096ECAK30/W33+AOH24096* SKF2x7224BCBM SKF30228J2/DFC100 SKFBC4B322142/HB1 SKFC3130K* SKFC2210TN9* SKFC4032K30V+AH24032* SKFCR16286 SKFCR20X47X10HMS5V SKFCR27x45x8CRW1V SKFCR8691 SKFNNC4838CV SKFNUP2208ECP SKFSAF22308

6311-2RS1*深沟球轴承近似的SKF轴承型号

SKF6311-ZN SKF6311/VA201 SKF6311-ZNR* SKF6311-2ZN SKF6311-2Z* SKF6311-RS1* SKF6311-2RS SKFE2.6311-2Z/C3 SKF6311N* SKF6311* SKF6311-2RS SKF6311-2RS1/HC5C3WT

用户关注最多的轴承狗热门型号

TORRINGTON  22252CAC/W33 NTN  RNA4900 FAG  NU2208-E-TVP2 NTN  NU2326 SNR  608 ZKL  NU2208 LYC  6228 E/C3Z1 FYH  UB208 TIMKEN  480RF30 NSK  N1022BT FAG  BND2228-H-C-T-AF-S SKF  PDRJ317 KOYO  M86649R/10 INA  K89432-M IKO  LRT606825-1

版权所有©2009-2015 轴承狗zcgou.com ICP备案:津ICP备14004550号-13