SKF638/4-2Z轴承详细参数

发布时间:2026-04-15
深沟球轴承, 单列, 两面防尘罩
主要数据尺寸 基本负荷额定值 疲劳负荷限值 额定速度 体积 型号
动态 静态 参照速度 限制速度
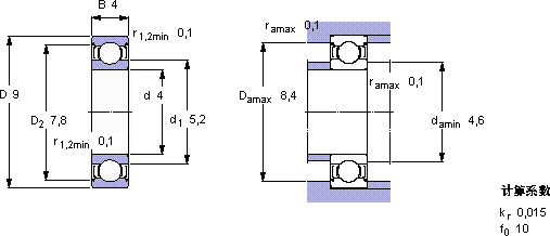
d D B C C0 Pu
mm kN kN r/min kg -
4940,540,180,007140000700000,0013638/4-2Z

SKF638/4-2Z深沟球轴承供应商

八零动力专业销售638/4-2Z深沟球轴承,库存SKF638/4-2Z大量现货,与SKF合作,咨询热线:022-58519723业务咨询
SKF638/4-2Z高品质的轴承,在复杂工况下也能展现出卓越的性能它的旋转精度,让高速运转成为现实 每一次旋转,都是品质的见证,它在化工设备中的应用,展现了它的耐腐蚀性 它的故障率极低,确保了设备的稳定运行 它的制造工艺,堪称工业艺术的典范 ,八零动力SKF深沟球轴承品种全,价格优,质量有保证!

用户关注最多的SKF轴承型号

SKF23144CCK/W33+OH3144H* SKF24084ECAK30/W33+AOH24084* SKF2x7317BECBPH* SKF7314BECBP SKFBA9 SKFBFSB350565 SKFBT4B331066A/HA4 SKFC30/560KM* SKFCR23646 SKFCR99606 SKFGE100ES-2RS SKFHK1014.2RS SKFLM503349/310/QCL7C SKFRN-2x7.8BF/G2 SKFSYKC35NTH

638/4-2Z深沟球轴承近似的SKF轴承型号

SKFW638/4-2ZR SKF638/8-2Z SKFW638/8-2Z SKF638/5-2Z SKFW638/1.5-2Z SKF638-2RZ SKF638/4-2Z SKFW638/3-2Z SKFW638/5-2Z SKFW638/2-2Z SKF638/8-2Z SKF638/5-2Z

用户关注最多的轴承狗热门型号

TORRINGTON  23256CACK/W33 SNR  32218 国产  6404 SKF  32005X/Q SKF  HE3130 MRC  7018C/DF SKF  23076CCK/W33+AOH3076G* LYC  FCD 76108400/C9 INA  PAF20215-P14 SKF  S7012CD/P4A SKF  22332CC/W33 TORRINGTON FAFNIR  6208-2Z TIMKEN  K44X50X22H ZKL  7218B IKO  CF30R

版权所有©2009-2015 轴承狗zcgou.com ICP备案:津ICP备14004550号-13