SKF638/5-2Z轴承详细参数

发布时间:2026-04-15
深沟球轴承, 单列, 两面防尘罩
主要数据尺寸 基本负荷额定值 疲劳负荷限值 额定速度 体积 型号
动态 静态 参照速度 限制速度
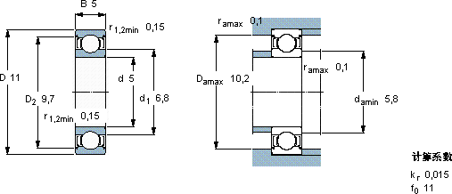
d D B C C0 Pu
mm kN kN r/min kg -
51150,6370,2550,011120000600000,0016638/5-2Z

SKF638/5-2Z深沟球轴承供应商

八零动力专业销售638/5-2Z深沟球轴承,库存SKF638/5-2Z大量现货,与SKF合作,咨询热线:022-58519723业务咨询
SKF638/5-2Z轴承的选材精良,确保了其具有良好的耐磨性和抗腐蚀性精湛的制造工艺赋予了这款轴承卓越的性能和品质 先进的制造技术,让这款轴承的质量达到了行业领先水平它的高效率,减少了能源消耗 轴承的耐用性出色,能够长时间保持良好的工作状态它的长寿命,减少了资源浪费 ,八零动力SKF深沟球轴承品种全,价格优,质量有保证!

用户关注最多的SKF轴承型号

SKF241/530ECAK30/W33+AOH241/530G* SKF310-2Z SKFBT4B328930G/HA1VA901 SKFCR15X32X10CRSA1R SKFCR24X37X7HMSA10V SKFCR418503 SKFCR45X58X9CRSA1R SKFCR50X65X10HMSA10RG SKFCR8632 SKFH314E SKFHME30/500 SKFLR35x40x12.5 SKFNU1036ML SKFYAR216-300-2F/AH SKFTUL1.TH

638/5-2Z深沟球轴承近似的SKF轴承型号

SKFW638/2-2Z SKFW63800-2ZR SKFW638/8-2Z SKFW638/3-2Z SKF638/8-2Z SKFW638/4-2Z SKF638/5-2Z SKFW638/5-2Z SKFW638/3-2Z SKFW638/5-2Z SKF638/4-2Z SKF638/8-2Z

用户关注最多的轴承狗热门型号

LYC  6305 EKA/C4 FAG  BND3160-H-W-T-AL-S LYC  6308 Q1/P63S0 FAG  SNV180-L + 21317-E1-K + H317X215 + FSV617 FAG  SNV100-L + 1211-K-TVH-C3 + H211X114 + DHV511X114 NSK  FC-16 FAG  SNV125-L + 22214-E1 + TSV214 NTN  23048BK+H3048 SKF  PDRJ319 KOYO  68462/712 SKF  C2220K+H320E* 国产  NU29/630 NSK  NU406W LYC  024.50.2890.03 IKO  TLAM2020

版权所有©2009-2015 轴承狗zcgou.com ICP备案:津ICP备14004550号-13