

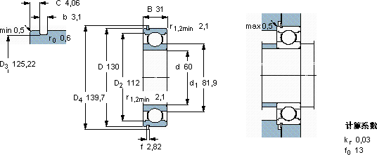
| 深沟球轴承, 单列,带止动环槽, 无密封件 | |||||||||||
| 主要数据尺寸 | 基本负荷额定值 | 疲劳负荷限值 | 额定速度 | 体积 | 型号 | ||||||
| 动态 | 静态 | 参照速度 | 限制速度 | 轴承 | 止动环 | ||||||
| (R = 带止动环) | |||||||||||
| d | D | B | C | C0 | Pu | * - SKF Explorer 轴承 | |||||
| mm | kN | kN | r/min | kg | - | ||||||
| 60 | 130 | 31 | 85,2 | 52 | 2,2 | 11000 | 7000 | 1,70 | 6312 N * | SP 130 | |
版权所有©2009-2015 轴承狗zcgou.com ICP备案:津ICP备14004550号-13