SKF6312-RS1*轴承详细参数

发布时间:2026-05-29
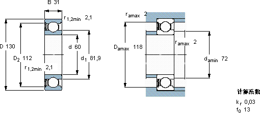
深沟球轴承, 单列, 单面密封件
主要数据尺寸 基本负荷额定值 疲劳负荷限值 额定速度 体积 型号
动态 静态 参照速度 限制速度
d D B C C0 Pu * - SKF Explorer 轴承
mm kN kN r/min kg -
601303185,2522,2-34001,706312-RS1 *

SKF6312-RS1*深沟球轴承供应商

八零动力专业销售6312-RS1*深沟球轴承,库存SKF6312-RS1*大量现货,与SKF合作,咨询热线:022-58519723业务咨询
SKF6312-RS1*它的设计巧妙,在保证性能的同时,还兼顾了安装的便捷性它的轴向跳动控制,确保了机械的平稳运行 它的每一次转动,都是对效率的极致追求 它的几何精度,让机械运转分毫不差 它在冶金设备中的应用,确保了设备的高温性能 设计合理、性能优良的它,是机械设备实现高效运行的重要保障,八零动力SKF深沟球轴承品种全,价格优,质量有保证!

用户关注最多的SKF轴承型号

SKF6213-2Z/VA208 SKF98205 SKFBA1B307788 SKFCR12404 SKFCR17x30x7CRW1R SKFCR22837 SKFCR95X120X12HMSA10V SKFCR99264 SKFCR99362 SKFCR99850 SKFFYTJ1.1/2TF SKFPCM657070M SKFS71906FB/P7 SKFSAA40TXE-2LS SKFW638/2-2Z

6312-RS1*深沟球轴承近似的SKF轴承型号

SKF6312-Z* SKF6312-RS1* SKF6312-2Z* SKF6312* SKF6312N* SKF6312-2ZNR* SKF6312-2RS SKFE2.6312-2Z/C3 SKF6312-ZN SKF6312-2Z/VA208 SKF6312-RS SKF6312-Z*

用户关注最多的轴承狗热门型号

KOYO  NU1048 SKF  305351 SKF  KRE35PPA SKF  CR18912 LYC  352932 TIMKEN  32022X/32022X FAG  11210-TVH SKF  SY25PF TIMKEN  240FSH370-TT NACHI  NUP2340 TORRINGTON  HK4012 NTN  6016-Z SKF  7316BEY LYC  23152/C3W33 TIMKEN  H916642/H916610

版权所有©2009-2015 轴承狗zcgou.com ICP备案:津ICP备14004550号-13