SKF6312-2RS1*轴承详细参数

发布时间:2026-05-30
深沟球轴承, 单列, 两面密封件
主要数据尺寸 基本负荷额定值 疲劳负荷限值 额定速度 体积 型号
动态 静态 参照速度 限制速度
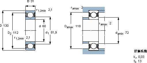
d D B C C0 Pu * - SKF Explorer 轴承
mm kN kN r/min kg -
601303185,2522,2-34001,706312-2RS1 *

SKF6312-2RS1*深沟球轴承供应商

八零动力专业销售6312-2RS1*深沟球轴承,库存SKF6312-2RS1*大量现货,与SKF合作,咨询热线:022-58519723业务咨询
SKF6312-2RS1*稳定旋转的核心力量转动的艺术为您的工程保驾护航,给您意想不到的顺畅体验,设计合理、性能优良的它,是机械设备实现高效运行的重要保障它的滚动体分布均匀,运转平稳无振动 ,八零动力SKF深沟球轴承品种全,价格优,质量有保证!

用户关注最多的SKF轴承型号

SKF15103S/15243/Q SKF30228T106J2/DB SKF32209 SKF61908-2RZ SKF7006ACD/P4A SKF71915ACE/P4A SKF7217AC/DB SKFBT4B328161/HA1 SKFCR50X68X8HMS5RG SKFCR62572 SKFCR8748 SKFCR90X110X10HMS5RG SKFFYRP4-3 SKFHMVC106E SKFW626-2Z

6312-2RS1*深沟球轴承近似的SKF轴承型号

SKF6312-ZNR* SKF6312-2RS1* SKF6312-2ZNR* SKFE2.6312-2Z/C3 SKF6312* SKF6312-2ZN SKF6312-Z* SKF6312-RS1* SKF6312-2Z/VA208 SKF6312-RS SKF6312-2RS SKF6312-2RS1/HC5C3WT

用户关注最多的轴承狗热门型号

KOYO  6300-2RZ SKF  CR380x425x20HDS2R 国产  30244/SO SKF  BT2-8001/HA3 STEYR  7300B/DT NTN  52320 SKF  30326J2 SNR  7206AC/DB SKF  C3080KM+AOH3080G* FAG  SNV110-L + 20212-K-TVP-C3 + H212X202 + DHV512 TIMKEN  542/533D+X1S-542 INA  AS0414 FAG  SNV180-L + 2220-M + FSV220 NACHI  30324 NTN  K50×55×20

版权所有©2009-2015 轴承狗zcgou.com ICP备案:津ICP备14004550号-13