SKF6311-RS1*轴承详细参数

发布时间:2026-04-15
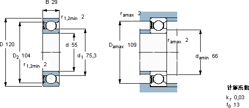
深沟球轴承, 单列, 单面密封件
主要数据尺寸 基本负荷额定值 疲劳负荷限值 额定速度 体积 型号
动态 静态 参照速度 限制速度
d D B C C0 Pu * - SKF Explorer 轴承
mm kN kN r/min kg -
551202974,1451,9-38001,356311-RS1 *

SKF6311-RS1*深沟球轴承供应商

八零动力专业销售6311-RS1*深沟球轴承,库存SKF6311-RS1*大量现货,与SKF合作,咨询热线:022-58519723业务咨询
SKF6311-RS1*让工作更高效,我们的轴承卓越的性能它在风力发电中的应用,为清洁能源贡献力量 其设计和制造工艺都达到了国际先进水平,是一款优质轴承这轴承的质量过硬,经得起时间和高强度工作的考验它的密封性能,减少了润滑剂的泄漏 ,八零动力SKF深沟球轴承品种全,价格优,质量有保证!

用户关注最多的SKF轴承型号

SKF2308K SKF239/670CA/W33 SKF317-2Z SKF71920ACE/HCP4A SKFBTM70A/P4CDBB SKFCR20X30X7HMSA10RG SKFCR75X110X12HMSA10RG SKFFSYE2.3/4-18 SKFGEC360FBAS SKFHMVC52E SKFKMK11 SKFNNC4834CV SKFSAF22518x3.1/4 SKFSNP3288x16.1/2 SKFZ014

6311-RS1*深沟球轴承近似的SKF轴承型号

SKF6311-2ZN SKF6311-2Z* SKF6311-2ZNR* SKF6311-ZNR* SKFE2.6311-2Z/C3 SKF6311-Z* SKF6311-ZN SKF6311-2RS1* SKF6311-RS SKF6311NR* SKF6311-RS SKF6311-Z*

用户关注最多的轴承狗热门型号

国产  3706/305.079 NTN  7816C TIMKEN  EE128111/128160 SKF  7232BCBM SKF  SAF22511x2 SKF  OKF140 FAG  BND2213-H-W-T-AL-S NACHI  200KBE131 NACHI  32328 国产  N313M/Z2 NTN  23220CC/W33 INA  GE45-DO NTN  7026AC/DB TIMKEN  HM88630/HM88612 IKO  WS190320

版权所有©2009-2015 轴承狗zcgou.com ICP备案:津ICP备14004550号-13