SKF306NR轴承详细参数

发布时间:2026-05-30
深沟球轴承, 单列,带装球缺口和止动环槽, 无密封件
主要数据尺寸 基本负荷额定值 疲劳负荷限值 额定速度 体积 型号
动态 静态 参照速度 限制速度 轴承,带止动环 止动环
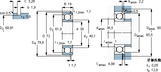
d D B C C0 Pu
mm kN kN r/min kg -
30721929,220,80,8818000110000,37306 NRSP 72

SKF306NR深沟球轴承供应商

八零动力专业销售306NR深沟球轴承,库存SKF306NR大量现货,与SKF合作,咨询热线:022-58519723业务咨询
SKF306NR它的可靠性,赢得了无数工程师的信任 高品质的轴承,在各种复杂工况下都能展现出卓越的性能表现它在建筑机械中的应用,确保了设备的可靠性 这款轴承的运转十分平稳,几乎感受不到任何震动它的圆度误差几乎可以忽略不计 它的耐用性,赢得了无数用户的信赖 ,八零动力SKF深沟球轴承品种全,价格优,质量有保证!

用户关注最多的SKF轴承型号

SKF71804CD/P4A SKF7218B/DF SKFC3176KMB+AOH3176G* SKFCR148X170X15HMS5RG SKFCR15460 SKFE2.6301-2Z/C3 SKFHK2020.2RS SKFN14 SKFN208ECP SKFNJ2224ECML* SKFPCMF101209B SKFSAF1515 SKFSILKAC16M SKFSY20TR SKFSYE2.7/16NH-118

306NR深沟球轴承近似的SKF轴承型号

SKF306-ZNR SKF6306-2Z/VA208 SKF306-Z SKFW6306-2RS1 SKF6306-2RZ* SKF306614 SKF6306-RS1* SKF6306* SKF6306-2RS SKF306493AA SKF306890 SKF307

用户关注最多的轴承狗热门型号

SKF  63002-2RS1 NACHI  N412 国产  NN3052K NTN  NJ2219 TIMKEN  EE234160/234221D+X3S-234160 FAG  SD534-N-FZ-AF-L + 22234-E1-K SKF  811/500 DKF  7015AC/DB SKF  QJ310 NTN  N2209 NSK  NJ2218W ZKL  7328B/DT SKF  C7016FB/P7 TIMKEN  MB15 IKO  NA4840

版权所有©2009-2015 轴承狗zcgou.com ICP备案:津ICP备14004550号-13