SKF630/8-2RS1轴承详细参数

发布时间:2026-05-30
深沟球轴承, 单列, 两面密封件
主要数据尺寸 基本负荷额定值 疲劳负荷限值 额定速度 体积 型号
动态 静态 参照速度 限制速度
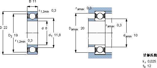
d D B C C0 Pu
mm kN kN r/min kg -
822113,451,370,057-220000,016630/8-2RS1

SKF630/8-2RS1深沟球轴承供应商

八零动力专业销售630/8-2RS1深沟球轴承,库存SKF630/8-2RS1大量现货,与SKF合作,咨询热线:022-58519723业务咨询
SKF630/8-2RS1它的轴向跳动控制,确保了机械的平稳运行 旋转不息高精度的制造工艺,让这款轴承的性能更加出色它的材质选择,体现了对品质的极致追求 制造工艺精湛,使得这款轴承的精度、稳定性和耐用性都非常出色是您设备高效运转的可靠伙伴,,八零动力SKF深沟球轴承品种全,价格优,质量有保证!

用户关注最多的SKF轴承型号

SKF23052CCK/W33* SKF234415B SKF32968 SKF4210ATN9 SKF71917CE/HCP4A SKF71924CD/P4A SKFBC4-8000/HA1 SKFCR13415 SKFCR17x40x7CRW1R SKFCR280x320x20CRWA1V SKFCR47X65X10HMSA10RG SKFLS2542 SKFOKCX710 SKFSNW128x4.15/16 SKFUE203

630/8-2RS1深沟球轴承近似的SKF轴承型号

SKF6306-2ZNR* SKFW6300-2RS1 SKF6303NR* SKF6303-ZNR* SKF608/630MA SKF6300-2Z/VA201 SKF6303N* SKF63010-2RS1 SKF6307-2RS1* SKF6302-RSH* SKF6309/VA201 SKF6310*

用户关注最多的轴承狗热门型号

LYC  NU 2210 EM/P5 LYC  NN 3056/W33 INA  GE50-LO FAG  230/560-B-K-MB RHP  NF320 LYC  NN 3034 K/P5 SKF  NATR10PPA NSK  7217BYDB NTN  LH-22209CK+AH309 LYC  61848 M KOYO  2311K TORRINGTON  23238CC/W33 SKF  W6201 FAG  SNV080-L + 2208-K-TVH-C3 + H308X106 + TCV508 TIMKEN  SM1303K

版权所有©2009-2015 轴承狗zcgou.com ICP备案:津ICP备14004550号-13