SKF6307-RS1*轴承详细参数

发布时间:2026-04-15
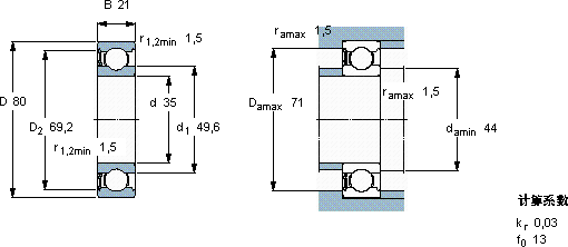
深沟球轴承, 单列, 单面密封件
主要数据尺寸 基本负荷额定值 疲劳负荷限值 额定速度 体积 型号
动态 静态 参照速度 限制速度
d D B C C0 Pu * - SKF Explorer 轴承
mm kN kN r/min kg -
35802135,1190,815-60000,466307-RS1 *

SKF6307-RS1*深沟球轴承供应商

八零动力专业销售6307-RS1*深沟球轴承,库存SKF6307-RS1*大量现货,与SKF合作,咨询热线:022-58519723业务咨询
SKF6307-RS1*它的抗剪切性能,确保了它的结构稳定性 卓越的设计和可靠的性能,是这款轴承的两大亮点是您设备高效运转的可靠伙伴,它的故障率极低,确保了设备的稳定运行 它的耐用性,让人惊叹不已 它的抗磨损涂层,让它更加耐用 ,八零动力SKF深沟球轴承品种全,价格优,质量有保证!

用户关注最多的SKF轴承型号

SKF31319 SKF3307A-RS SKF6080 SKF61952 SKF7211ACD/P4A SKFBCRB326244 SKFCR13585 SKFCR1750530 SKFCR19938 SKFCR35405 SKFCR400385 SKFNKI22/16 SKFNU2314E SKFQJ216N2MA* SKFSYH13/16TF

6307-RS1*深沟球轴承近似的SKF轴承型号

SKF6307-2ZNR* SKFE2.6307-2Z/C3 SKF6307/VA201 SKF6307* SKF6307-ZN SKF6307-ZNR* SKF6307NR* SKF6307-2Z/VA208 SKF6307-RS1* SKF6307-2Z* SKF6307-RS SKF6307-Z*

用户关注最多的轴承狗热门型号

SKF  NNU40/670KM/W33 SKF  CR22441 国产  52238 FAG  BND3148-Z-Y-BF-S FLT  N217 NTN  7906DT SKF  BT4B331190BG/HA1 LYC  EE 655271DW/655345/655346D SKF  FSNL513-611 ASK  NJ2330 SKF  71976ACGAMB IKO  RNAF658530 IKO  KT588N IKO  CRW2-90SL IKO  ST122332B

版权所有©2009-2015 轴承狗zcgou.com ICP备案:津ICP备14004550号-13