SKF6307-2RS1*轴承详细参数

发布时间:2026-04-15
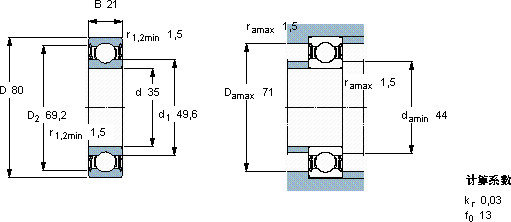
深沟球轴承, 单列, 两面密封件
主要数据尺寸 基本负荷额定值 疲劳负荷限值 额定速度 体积 型号
动态 静态 参照速度 限制速度
d D B C C0 Pu * - SKF Explorer 轴承
mm kN kN r/min kg -
35802135,1190,815-60000,466307-2RS1 *

SKF6307-2RS1*深沟球轴承供应商

八零动力专业销售6307-2RS1*深沟球轴承,库存SKF6307-2RS1*大量现货,与SKF合作,咨询热线:022-58519723业务咨询
SKF6307-2RS1*轴承的稳定性和可靠性表现卓越,赢得了广泛赞誉承载未来它的加工设备,代表了世界领先水平 高精度与高可靠性的完美结合,成就了这款杰出的轴承先进的制造技术和严格的质量控制,造就了这款优质轴承精湛的工艺打造出的轴承,精度和稳定性都令人称赞,八零动力SKF深沟球轴承品种全,价格优,质量有保证!

用户关注最多的SKF轴承型号

SKF2212E-2RS1KTN9+H312C SKF24040CCK30/W33 SKF240/670ECA/W33* SKF81176 SKFBS2-2316-2CS/VT143* SKFCR34X48X8HMS5V SKFCR63x78x8CRW1R SKFCRMVR2-55 SKFGEZ106TXE-2LS SKFHA3036x6.5/16 SKFNCF3017CV SKFNJ256 SKFNUP2319ECP SKFSNL30/530L SKFYAR212-203-2F

6307-2RS1*深沟球轴承近似的SKF轴承型号

SKF6307-2RS1* SKF6307-Z* SKFE2.6307-2Z/C3 SKF6307-2ZN SKF6307-2Z* SKF6307* SKF6307-ZNR* SKF6307-2ZNR* SKF6307-RS1* SKF6307N* SKF6307-2RS SKF6307-2Z*

用户关注最多的轴承狗热门型号

FAG  234440-M-SP KOYO  NU314 INA  SL014916 INA  RAE25-NPP-NR TIMKEN  160RF30 SKF  OKCX750 MRC  6312-2Z SKF  CR45X72X8HMS5RG TIMKEN  36690/36620DC+X1S-36690 LYC  6202 E-2RS SKF  02872/02820/Q IKO  LBD16UUOP IKO  CH26VUU IKO  CFE24R IKO  LME203245UU

版权所有©2009-2015 轴承狗zcgou.com ICP备案:津ICP备14004550号-13