SKF6214-RS1*轴承详细参数

发布时间:2026-05-01
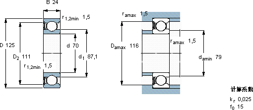
深沟球轴承, 单列, 单面密封件
主要数据尺寸 基本负荷额定值 疲劳负荷限值 额定速度 体积 型号
动态 静态 参照速度 限制速度
d D B C C0 Pu * - SKF Explorer 轴承
mm kN kN r/min kg -
701252463,7451,9-34001,106214-RS1 *

SKF6214-RS1*深沟球轴承供应商

八零动力专业销售6214-RS1*深沟球轴承,库存SKF6214-RS1*大量现货,与SKF合作,咨询热线:022-58519723业务咨询
SKF6214-RS1*持久转动它的质量可靠,是众多机械设备制造商的首选配件它在机床设备中的应用,确保了加工精度 轴承的稳定性和可靠性表现出色,赢得了用户的高度认可匠心制造它的径向跳动控制,达到了行业顶尖水平 ,八零动力SKF深沟球轴承品种全,价格优,质量有保证!

用户关注最多的SKF轴承型号

SKF21309CC SKF22348CCJA/W33VA405 SKF25577/2/25520/2/Q SKF30208J2/Q SKF6324/C3VL2071 SKF7209AC SKFBDAB307786 SKFBT4B334011 SKFCR30X45X8CRS1V SKFCR20140 SKFCR25X52X8HMSA10RG SKFCR440x480x20HS8R SKFCR92534 SKFFYKC30NTH SKFNATV30PPA

6214-RS1*深沟球轴承近似的SKF轴承型号

SKF6214-ZNR* SKF6214/VA201 SKF6214-ZN SKF6214-2RS1* SKF6214-2RS SKF6214-2ZN SKF6214-Z* SKF6214-2Z/VA208 SKF6214NR* SKF6214* SKF6214-RS SKF6214-Z*

用户关注最多的轴承狗热门型号

KOYO  6021N FAG  LOE330-N-BF-L SKF  FYL20THR LYC  32030/P5 FAG  SD3176-H-TS-AF-L + 231SM360-MA RHP  1201 FAG  SNV080-L + 2307-K-TVH-C3 + H2307 + FSV607 INA  GE240-DO-2RS SKF  CR34891 NSK  7224A5TYNP5 FAG  SNV062-L + 22206-E1-K + H306X015 + DH506X014 国产  QJ226Q1/SO INA  AUVL19069 LYC  SN 220 IKO  KT354013

版权所有©2009-2015 轴承狗zcgou.com ICP备案:津ICP备14004550号-13