SKF61932MA轴承详细参数

发布时间:2026-04-15
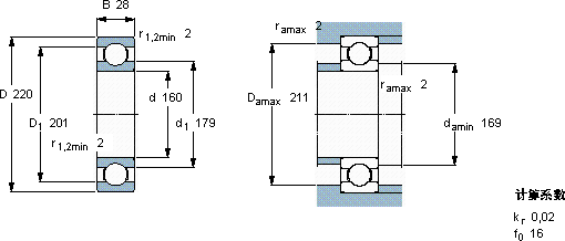
深沟球轴承, 单列, 无密封件
主要数据尺寸 基本负荷额定值 疲劳负荷限值 额定速度 体积 型号
动态 静态 参照速度 限制速度
d D B C C0 Pu
mm kN kN r/min kg -
1602202892,3983,05600050003,2561932 MA

SKF61932MA深沟球轴承供应商

八零动力专业销售61932MA深沟球轴承,库存SKF61932MA大量现货,与SKF合作,咨询热线:022-58519723业务咨询
SKF61932MA它的可回收性,减少了废弃物处理成本 是您设备高效运转的可靠伙伴,它的制造工艺,堪称工业艺术的典范 它的每一次转动,都是对效率的极致追求 卓越的性能表现,让这款轴承在市场上脱颖而出始终顺滑如初,,八零动力SKF深沟球轴承品种全,价格优,质量有保证!

用户关注最多的SKF轴承型号

SKF23224-2CS5K/VT143* SKF239/560CA/W33* SKF61919-2RS1 SKF71915DB/P7 SKFBEAB351867 SKFCR10172 SKFCR15234 SKFCR25713 SKFCRMVR2-25 SKFFNL505A SKFH3936 SKFNJ207E SKFNJ2216ECML* SKFPDNB317 SKFSAF22626x4.1/2

61932MA深沟球轴承近似的SKF轴承型号

SKF61932 SKF61932MA SKF61932MA SKF61932MA SKF61934

用户关注最多的轴承狗热门型号

KOYO  NU2304E ASAHI  UCFU206 FAG  VRE309-B SKF  N318ECP SKF  CR25X52X8HMS5V NSK  7003A5 NACHI  NF416 KOYO  6900ZZ TIMKEN  HMV-47 NTN  NJ316 NTN  3221 LYC  6319 /C3Z1 LYC  306/304.8 NACHI  09074/09195 INA  PCJTY20-N

版权所有©2009-2015 轴承狗zcgou.com ICP备案:津ICP备14004550号-13