SKF61901-2Z轴承详细参数

发布时间:2026-05-30
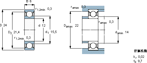
深沟球轴承, 单列, 两面防尘罩
主要数据尺寸 基本负荷额定值 疲劳负荷限值 额定速度 体积 型号
动态 静态 参照速度 限制速度
d D B C C0 Pu
mm kN kN r/min kg -
122462,250,980,04367000320000,01161901-2Z

SKF61901-2Z深沟球轴承供应商

八零动力专业销售61901-2Z深沟球轴承,库存SKF61901-2Z大量现货,与SKF合作,咨询热线:022-58519723业务咨询
SKF61901-2Z它在机器人领域的应用,展现了它的高精密性 它的沟槽设计,完美匹配滚动体的运动轨迹 精准承载它在食品机械中的应用,展现了它的卫生性能 轴承的耐用性出色,能够长时间保持良好的工作状态它的密封性能,完美抵御灰尘和杂质的侵袭 ,八零动力SKF深沟球轴承品种全,价格优,质量有保证!

用户关注最多的SKF轴承型号

SKF5213A-2Z SKF6018-RS SKF7011AC/DB SKFBNTB322891/HB2 SKFBT4-8048E/C725* SKFCR1125257 SKFCR39923 SKFCR63x80x8CRW1R SKFFY1.1/4TF/VA201 SKFHS206 SKFIR85x95x26 SKFOH2344H SKFOKCX270 SKFYAR210-111-2F SKFYET209

61901-2Z深沟球轴承近似的SKF轴承型号

SKFW61901-2Z SKF61901-2RS1 SKFW61901 SKF61901-2Z SKF61901 SKF61901-2RS SKF61901-2RZ SKF61901-2RZ SKF61902

用户关注最多的轴承狗热门型号

SKF  CR33405 FAG  NN3024-AS-K-M-SP KOYO  7008AC/DF STEYR  52410 国产  62310-2RS SKF  FYC45FM SKF  CR90788 LYC  024.40.2875.03 TIMKEN  22309CJ NTN  NU411 LYC  352860 X2 TIMKEN  67388D/67322+Y1S-67322 NACHI  6210ZENR FAG  SNV100-L + 1309-K-TVH-C3 + H309X107 + DHV609X107 SNR  7212AC/DT

版权所有©2009-2015 轴承狗zcgou.com ICP备案:津ICP备14004550号-13