SKF61901-2RS1轴承详细参数

发布时间:2026-04-14
深沟球轴承, 单列, 两面密封件
主要数据尺寸 基本负荷额定值 疲劳负荷限值 额定速度 体积 型号
动态 静态 参照速度 限制速度
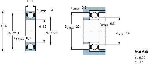
d D B C C0 Pu
mm kN kN r/min kg -
122462,250,980,043-190000,01161901-2RS1

SKF61901-2RS1深沟球轴承供应商

八零动力专业销售61901-2RS1深沟球轴承,库存SKF61901-2RS1大量现货,与SKF合作,咨询热线:022-58519723业务咨询
SKF61901-2RS1引领转动新潮流,轴承的选材优质,确保了其在各种环境下都能稳定工作它在航空航天领域的应用,展现了它的高可靠性 质量无可挑剔的轴承,为设备的高效运作提供了有力支持它的耐腐蚀性,让它经久不衰 它的沟槽设计,完美匹配滚动体的运动轨迹 ,八零动力SKF深沟球轴承品种全,价格优,质量有保证!

用户关注最多的SKF轴承型号

SKF23124CC/W33 SKF23180CAK/W33* SKF51207V/HR11Q1 SKF6305-ZNR* SKF7017CE/HCP4A SKF7236B SKFBK6020 SKFBT4B328161/HA1 SKFGAC90F SKFHM3176 SKFNK45/30TN SKFNNU41/750K30M/W33 SKFP1/2FM SKFQJ232N2MA SKFSDAF23268

61901-2RS1深沟球轴承近似的SKF轴承型号

SKF61901-2RZ SKFW61901-2Z SKF61901 SKFW61901 SKF61901-2RS1 SKF61901-2Z SKF61901-2RS SKF61901-2RS SKF61901-2RZ

用户关注最多的轴承狗热门型号

SKF  CR1025244 SKF  LM11949/910/Q SKF  71913CE/P4A KOYO  7203B/DB NSK  F683A STEYR  320/32 NACHI  N407 LYC  22216 C/C4W33 LYC  6205 E-RS/C3 TORRINGTON  23024CCK/W33 TIMKEN  26881/26822 KOYO  53210U SKF  626-2RSLTN9/HC5C3WTF1 KOYO  NJ2204 SKF  CR3050890

版权所有©2009-2015 轴承狗zcgou.com ICP备案:津ICP备14004550号-13