SKF61809-2RS1轴承详细参数

发布时间:2026-04-15
深沟球轴承, 单列, 两面密封件
主要数据尺寸 基本负荷额定值 疲劳负荷限值 额定速度 体积 型号
动态 静态 参照速度 限制速度
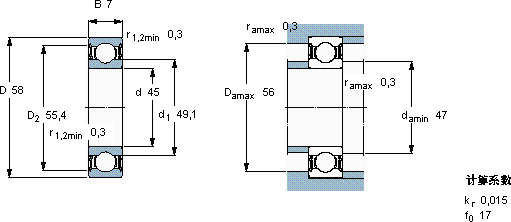
d D B C C0 Pu
mm kN kN r/min kg -
455876,636,10,26-67000,04061809-2RS1

SKF61809-2RS1深沟球轴承供应商

八零动力专业销售61809-2RS1深沟球轴承,库存SKF61809-2RS1大量现货,与SKF合作,咨询热线:022-58519723业务咨询
SKF61809-2RS1坚固的结构稳定的性能轴承的精度和稳定性都达到了行业顶尖水平运转起来如此顺滑,这款轴承的制造工艺着实令人赞叹制造工艺精湛,使得这款轴承在运转时更加顺畅平稳品质卓越的它,在各种工况下都能展现出优异的性能它的热处理工艺,增强了它的硬度和韧性 ,八零动力SKF深沟球轴承品种全,价格优,质量有保证!

用户关注最多的SKF轴承型号

SKF16024* SKF24138CC/W33 SKF23064CCK/W33+AOH3064G* SKF2x7208BECBJ SKF61904-2RZ SKF6200-ZN SKF6211-2Z/VA201 SKF71911CD/P4A SKFCR35x72x8CRW1R SKFHA2328 SKFNKI85/36 SKFPWM556350 SKFPWM95110120 SKFSAFC2544x7.7/8 SKFSYR2.1/2H

61809-2RS1深沟球轴承近似的SKF轴承型号

SKF61809-RZ SKF61809 SKF61809-2RS SKF61809-2RZ SKF61809-RS SKF61809-2RS1 SKF61809-2RS SKF61809-2RZ

用户关注最多的轴承狗热门型号

FAG  4305-B-TVH SKF  30220J2 NTN  7813CDT FAG  QJ209-TVP INA  K81230-M KOYO  88FC72452 FAG  SNV180-L + 20317-MB + DHV317 MAC  NUP310 NSK  7030A5TYNDBLP4 LYC  FCDP 114163594/P63 SKF  GE35CJ2 BARDEN  7007C/DT FAG  BND2272-Z-Y-AF-S 国产  23230CA SKF  SIQG32ES

版权所有©2009-2015 轴承狗zcgou.com ICP备案:津ICP备14004550号-13