SKFOH3048H轴承详细参数

发布时间:2026-04-14
紧定套
尺寸 体积 型号
紧定轴套带螺母 锁定螺母 锁定装置 适宜的液压
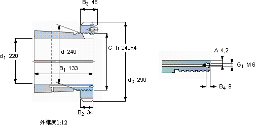
d1 d d3 B1 G 和锁紧装置螺母
mm kg -
220240290133Tr 240x412,0OH 3048 HHM 3048MS 3052-48HMV 48 E

SKFOH3048H轴承附件供应商

八零动力专业销售OH3048H轴承附件,库存SKFOH3048H大量现货,与SKF合作,咨询热线:022-58519723业务咨询
SKFOH3048H制造工艺精湛,使得这款轴承的精度、稳定性和耐用性都非常出色它的耐用性,让人惊叹不已 转动不停歇这轴承的设计巧妙,充分考虑了设备的运行需求和维护便利性承载重载历经岁月它的抗磨损涂层,让它更加耐用 ,八零动力SKF轴承附件品种全,价格优,质量有保证!

用户关注最多的SKF轴承型号

SKF3202A-2RS1 SKF51207V/HR11T1 SKF7004ACE/P4A SKF71900AC SKF7301BEP SKFBTW180CM/SP SKFCR99846 SKFFSYE2.1/2-3 SKFFSYE2.7/16-18 SKFFY3/4TF/VA228 SKFGEP110FS SKFNK85/25 SKFSNW3136x6.7/16 SKFSYE2.3/16-3 SKFVJ-PDPF2214

OH3048H轴承附件近似的SKF轴承型号

SKFSNP3048x8.7/16 SKFSNP3048x9 SKFSNP3048x8.1/2 SKFAOH3048 SKFSNP3048x8.15/16 SKFHM3048 SKFOH3048H SKFHME3048 SKFOH3044H SKFOH3052H

用户关注最多的轴承狗热门型号

SKF  NCF3030CV SKF  C3138K+AH3138G* SNR  7211B/DT FAG  22326-E1-K-T41A + AHX2326G LYC  GE45ES-2RS FAG  AH24060-H NACHI  230/530EW33K LYC  NN 30/560 KF1/P52W33 LYC  22328/W33 FAG  SNV120-L + 22213-E1-K + H313X204 + FSV513X204 TIMKEN  366/363D KOYO  23964RK+H3964 SKF  NCF2952CV IKO  YT2025 IKO  TAFI284230

版权所有©2009-2015 轴承狗zcgou.com ICP备案:津ICP备14004550号-13