SKF609-RSL*轴承详细参数

发布时间:2026-04-14
深沟球轴承, 单列, 低摩擦单面密封件
主要数据尺寸 基本负荷额定值 疲劳负荷限值 额定速度 体积 型号
动态 静态 参照速度 限制速度
d D B C C0 Pu * - SKF Explorer 轴承
mm kN kN r/min kg -
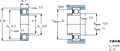
92473,91,660,07170000430000,014609-RSL *

SKF609-RSL*深沟球轴承供应商

八零动力专业销售609-RSL*深沟球轴承,库存SKF609-RSL*大量现货,与SKF合作,咨询热线:022-58519723业务咨询
SKF609-RSL*这轴承的设计巧妙,充分考虑了设备的运行需求和维护便利性它的低摩擦设计,减少了能量损耗 高品质的轴承,在各种复杂环境下都能稳定发挥作用它的轴向跳动控制,确保了机械的平稳运行 它的长寿命,减少了资源浪费 该轴承的性能优越,极大地提高了设备的工作效率,八零动力SKF深沟球轴承品种全,价格优,质量有保证!

用户关注最多的SKF轴承型号

SKF304205A SKF4201ATN9 SKF6206NR* SKF6218-2Z* SKF7213BEY SKFBT4B332814/HA1 SKFCR15796 SKFCR33X50X6HMS5V SKFCR525582 SKFLS1528 SKFNCF28/710V SKFNJ2326E SKFNNCF4880CV SKFNUP214ECP SKFSDAF23256KAx10.7/16

609-RSL*深沟球轴承近似的SKF轴承型号

SKF6092MB SKFE2.609-2Z/C3 SKF609* SKF6096 SKF6092MB SKF6092N1MB SKF609-RZ SKF609/530MA SKF6096MB SKF609/670MA SKF609-RSH* SKF609-RZ

用户关注最多的轴承狗热门型号

NSK  N1014RXTPKR NACHI  52413 SKF  PF1.3/8FM NSK  ZM-UCFL201-008D1 TIMKEN  120BIH519 TIMKEN  5207K SKF  HMV15E SKF  CR35X62X10HMSA10V KOYO  RS566130 FAG  BND2264-H-C-Y-BF-S NTN  K40×48×25 FAG  24130-E1-K30 + AH24130 SKF  22330CCJA/W33VA406 NMB  RF-1980 SKF  24136CC/W33

版权所有©2009-2015 轴承狗zcgou.com ICP备案:津ICP备14004550号-13