SKF609/630MB轴承详细参数

发布时间:2026-05-30
深沟球轴承, 单列, 无密封件
主要数据尺寸 基本负荷额定值 疲劳负荷限值 额定速度 体积 型号
动态 静态 参照速度 限制速度
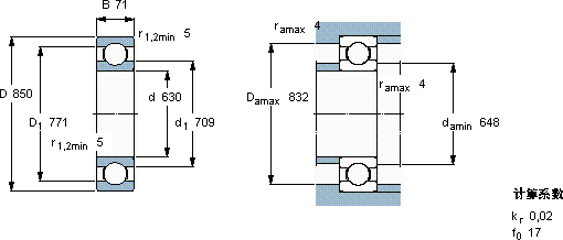
d D B C C0 Pu
mm kN kN r/min kg -
63085071488106016,613001100110609/630 MB

SKF609/630MB深沟球轴承供应商

八零动力专业销售609/630MB深沟球轴承,库存SKF609/630MB大量现货,与SKF合作,咨询热线:022-58519723业务咨询
SKF609/630MB设计独特、性能优越的轴承,满足了不同用户的需求它的耐磨性能,让它在恶劣环境下依然稳定运行 品质卓越这款轴承的性能卓越,有效提高了设备的运行可靠性它的密封性能,减少了润滑剂的泄漏 没有轴承,现代机械将寸步难行,,八零动力SKF深沟球轴承品种全,价格优,质量有保证!

用户关注最多的SKF轴承型号

SKF3306A* SKF6210/HR22T2 SKF7032ACD/P4A SKF71936C/DB SKF7322BECBP* SKFBVNB328607A/HA1 SKFCR1150119 SKFCR15241 SKFCR330x370x18HDS1R SKFCR80X100X12HMS5V SKFNU2968M SKFNU421 SKFP72R-1.1/4AFM SKFPCMF081007.5E SKFSC7017DB/P7

609/630MB深沟球轴承近似的SKF轴承型号

SKF60980M SKF60964MA SKF609/630MB SKF6092MB SKF609/1320MB SKF609/710MA SKF609-RZ SKF609-2RZ SKF60988MB SKF609-2RS SKF609/530MA SKF609/670MA

用户关注最多的轴承狗热门型号

国产  6019-N LYC  22244 MRC  QJ210 NSK  NUP234EM SKF  7013CE/P4A SKF  2x7202BEGAP* SKF  BTM130A/HCP4CDBA SKF  23120CCK/W33 TIMKEN  20SFH36 KOYO  HM265049D/010/010D SKF  PCZ0612B RHP  1206 LYC  NU 310 SKF  AH315G NSK  NA4908

版权所有©2009-2015 轴承狗zcgou.com ICP备案:津ICP备14004550号-13