SKF60988MB轴承详细参数

发布时间:2026-05-30
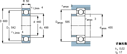
深沟球轴承, 单列, 无密封件
主要数据尺寸 基本负荷额定值 疲劳负荷限值 额定速度 体积 型号
动态 静态 参照速度 限制速度
d D B C C0 Pu
mm kN kN r/min kg -
4406005031255010,22000160040,060988 MB

SKF60988MB深沟球轴承供应商

八零动力专业销售60988MB深沟球轴承,库存SKF60988MB大量现货,与SKF合作,咨询热线:022-58519723业务咨询
SKF60988MB其设计和制造都达到了极高的水准,是一款不可多得的轴承出色的性能表现,让这款轴承成为行业内的明星产品,没有轴承,现代机械将寸步难行,卓越的性能表现,使这款轴承在市场上拥有良好的口碑它的质量可靠,是众多机械设备制造商的首选配件性能优越的轴承,极大地提高了设备的工作效率和稳定性,八零动力SKF深沟球轴承品种全,价格优,质量有保证!

用户关注最多的SKF轴承型号

SKF248/530CAMA/W20 SKF368A/362A/Q SKF6201/HR11QN SKF687/672 SKF7007AC/DB SKF7213BEGAP SKF7316BEY SKFBTM65A/HCP4CDBA SKFCR32x56x8CRW1R SKFCR401802 SKFFYR3.1/2H-3 SKFHS207 SKFL814749/710/QCL7C SKFNU2860ECM SKFNUP2216E

60988MB深沟球轴承近似的SKF轴承型号

SKF60988MB SKF60980M SKF609/1000MB

用户关注最多的轴承狗热门型号

国产  6313-2RS FAG  B71921-C-T-P4S MAC  NU1015 LYC  130.45.2800.12 SKF  HK1312 NTN  7038AC/DT LYC  51324 F1 INA  XV80 SKF  6315/C3VL0241 RIV  NF220 FAG  SNV170-L + 1316-K-M-C3 + H316X214 + DHV616X214 FAG  SNV080-L + 1208-K-TVH-C3 + H208 + TSV508 SKF  CR260X290X16HDS2D SKF  3208A-2Z 国产  22211K

版权所有©2009-2015 轴承狗zcgou.com ICP备案:津ICP备14004550号-13