SKF6022-RS1*轴承详细参数

发布时间:2026-04-15
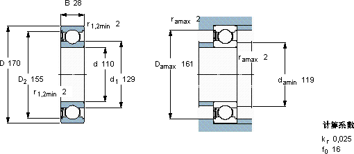
深沟球轴承, 单列, 单面密封件
主要数据尺寸 基本负荷额定值 疲劳负荷限值 额定速度 体积 型号
动态 静态 参照速度 限制速度
d D B C C0 Pu * - SKF Explorer 轴承
mm kN kN r/min kg -
1101702885,273,52,4-24001,956022-RS1 *

SKF6022-RS1*深沟球轴承供应商

八零动力专业销售6022-RS1*深沟球轴承,库存SKF6022-RS1*大量现货,与SKF合作,咨询热线:022-58519723业务咨询
SKF6022-RS1*它的润滑技术,减少了摩擦和磨损 质量上乘的轴承,是提升机械设备性能的关键因素是机械世界的璀璨明星,高精度与高可靠性的完美结合,成就了这款杰出的轴承它的每一次转动,都是对效率的极致追求 它的精密设计,展现了人类智慧的巅峰 ,八零动力SKF深沟球轴承品种全,价格优,质量有保证!

用户关注最多的SKF轴承型号

SKF312844/VJ202 SKF54208 SKF61944 SKF635-RZ* SKFCR230x280x16HDS2R SKFCR596043 SKFCR90X120X12HMS5V SKFNCF1876V SKFNK9/12TN SKFNKI12/16 SKFNNCL4934CV SKFPCM120125100B SKFSNL3076FTURT SKFW30 SKFYAT208

6022-RS1*深沟球轴承近似的SKF轴承型号

SKF6022NR* SKF6022-RS SKF6022* SKF6022-RS1* SKF6022-2RS SKF6022-Z* SKF6022-2Z* SKF6022N* SKF6022-2RS1* SKF16022* SKF6022-RS SKF6022-Z*

用户关注最多的轴承狗热门型号

TIMKEN  K10X13X10 TIMKEN  NUP211E.TVP LYC  31992 X2/P5 NTN  7026C/DT TIMKEN  23148YMB SKF  6201-RS ASK  NJ2216 LYC  32020 KOYO  45264 INA  PASEY30-N LYC  UC 213 NSK  7210CDT SKF  NU2332E GMN  7012C/DT IKO  LRBZ101412

版权所有©2009-2015 轴承狗zcgou.com ICP备案:津ICP备14004550号-13