SKF16022*轴承详细参数

发布时间:2026-05-30
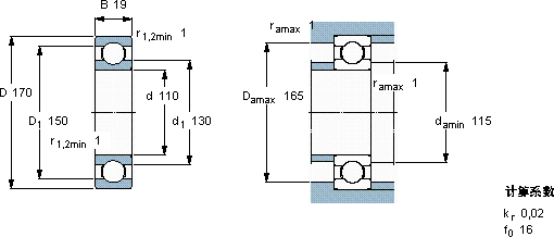
深沟球轴承, 单列, 无密封件
主要数据尺寸 基本负荷额定值 疲劳负荷限值 额定速度 体积 型号
动态 静态 参照速度 限制速度
d D B C C0 Pu * - SKF Explorer 轴承
mm kN kN r/min kg -
1101701960,2572,04800050001,4516022 *

SKF16022*深沟球轴承供应商

八零动力专业销售16022*深沟球轴承,库存SKF16022*大量现货,与SKF合作,咨询热线:022-58519723业务咨询
SKF16022*这款轴承的精度极高,能够满足对精度要求苛刻的设备它的耐高温性能,让它在极端环境下依然稳定运行 高品质的轴承,在复杂工况下也能展现出卓越的性能品质卓越它的高可靠性,减少了设备停机时间 有效增强了机械设备的竞争力,八零动力SKF深沟球轴承品种全,价格优,质量有保证!

用户关注最多的SKF轴承型号

SKF32212J2/Q SKF3302A SKF3311DNRCBM SKF6206-2RZTN9/HC5C3WT SKF7219BECBY SKFCR30X52X8HMSA10V SKFCR35x62x8CRW1R SKFCR37524 SKFCR39923 SKFCR51x81x9.53CRWH1R SKFK100x108x30 SKFNKXR50 SKFSC71914DB/P7 SKFYAR208-108-2RF SKFYAR215-211-2F

16022*深沟球轴承近似的SKF轴承型号

SKF16022* SKF16021* SKF16024*

用户关注最多的轴承狗热门型号

SKF  23084CACK/W33 TIMKEN  496/493D SKF  30214 LYC  6216/C4 LYC  1797/235 TIMKEN  210RN51 SKF  CR70X85X8HMSA10V LYC  NU 640 M NTN  NJ334 SKF  6012-Z SNR  7210B FAG  SNV100-L + 1211-K-TVH-C3 + H211X115 + DH511 KOYO  6581XR/35 KOYO  N209 IKO  CRWU145-410

版权所有©2009-2015 轴承狗zcgou.com ICP备案:津ICP备14004550号-13