SKF6022-2RS1*轴承详细参数

发布时间:2026-04-15
深沟球轴承, 单列, 两面密封件
主要数据尺寸 基本负荷额定值 疲劳负荷限值 额定速度 体积 型号
动态 静态 参照速度 限制速度
d D B C C0 Pu * - SKF Explorer 轴承
mm kN kN r/min kg -
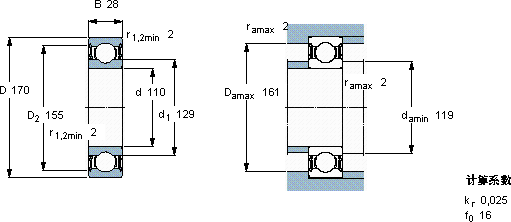
1101702885,273,52,4-24001,956022-2RS1 *

SKF6022-2RS1*深沟球轴承供应商

八零动力专业销售6022-2RS1*深沟球轴承,库存SKF6022-2RS1*大量现货,与SKF合作,咨询热线:022-58519723业务咨询
SKF6022-2RS1*它的精密设计,展现了人类智慧的巅峰 质量无可挑剔的轴承,为设备的高效运作提供了有力支持轴承的选材精良,确保了其具有良好的耐磨性和抗腐蚀性它的故障率极低,确保了设备的稳定运行 它的质量过硬,为机械设备的高效、安全运行提供了保障这轴承的选材讲究,坚固耐用,寿命远超同类产品,八零动力SKF深沟球轴承品种全,价格优,质量有保证!

用户关注最多的SKF轴承型号

SKF21317EK* SKF6205NR* SKF63006-2RS1 SKF7206CD/P4A SKF81104TN SKFBT4B328817G/HA1VA902 SKFBT4B331372/HA4 SKFC4911K30V* SKFCR135X170X15CRSH1R SKFCR85X115X12HMSA10V SKFFSAF1313 SKFGE6C SKFHCCE040R SKFNNU4168M/W33 SKFUELFU212

6022-2RS1*深沟球轴承近似的SKF轴承型号

SKF6022-RS SKF6022* SKF6022-Z* SKF16022* SKF6022-2RS1* SKF6022-2Z* SKF6022-RS1* SKF6022-2RS SKF6022NR* SKF6022N* SKF6022-2RS SKF6022-2Z*

用户关注最多的轴承狗热门型号

SKF  21314CCK SKF  SY2.1/2TF/AH LYC  130.50.3550.03 TORRINGTON  23160CACK/W33 SKF  BT4B331700AG/HA4 FAG  SNV080-L + 1208-TVH + DH208 LYC  6305 E-2RZ/Z3 TIMKEN  67388/67322DC/X1S-67388 RHP  6202-2Z STEYR  NU324E TIMKEN  HM907635/HM907614 NTN  24024B FAG  SNV200-L + 2222-K-M-C3 + H322X314 + TCV522X314 NSK  CM-UCF215-214D1 IKO  MLFC10

版权所有©2009-2015 轴承狗zcgou.com ICP备案:津ICP备14004550号-13