SKF6017-2RS1*轴承详细参数

发布时间:2026-04-15
深沟球轴承, 单列, 两面密封件
主要数据尺寸 基本负荷额定值 疲劳负荷限值 额定速度 体积 型号
动态 静态 参照速度 限制速度
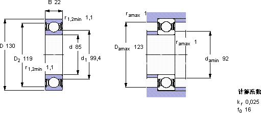
d D B C C0 Pu * - SKF Explorer 轴承
mm kN kN r/min kg -
851302252431,76-30000,896017-2RS1 *

SKF6017-2RS1*深沟球轴承供应商

八零动力专业销售6017-2RS1*深沟球轴承,库存SKF6017-2RS1*大量现货,与SKF合作,咨询热线:022-58519723业务咨询
SKF6017-2RS1*承载重载历经岁月转动世界的精密之选,它的精密性,让它在高精度设备中无可替代 卓越的性能表现,让这款轴承在市场上脱颖而出性能优越的轴承,极大地提升了设备的工作性能和效率优秀的设计和卓越的性能,让这款轴承备受青睐,八零动力SKF深沟球轴承品种全,价格优,质量有保证!

用户关注最多的SKF轴承型号

SKF115 SKF22332CCJA/W33VA406* SKF249/1120CAF/W33 SKF350998 SKF71817ACD/HCP4 SKF71934ACD/P4A SKF7209AC SKFCR20X47X7HMSA10V SKFCR45X80X10HMSA10V SKFCR90769 SKFHE2309 SKFNU2307ECP* SKFNU3192ECMA/HB1 SKFPWM758570 SKFSYNT55L

6017-2RS1*深沟球轴承近似的SKF轴承型号

SKF6017-RS1* SKF6017-2Z* SKF6017-2RS1* SKF6017-2RS SKF6017N* SKF16017* SKF6017-Z* SKF6017NR* SKF6017* SKF6017-RS SKF6017-2RS SKF6017-2Z*

用户关注最多的轴承狗热门型号

国产  63/22NR NTN  22312CCK/W33 TIMKEN  17098/17245D/X1S-17098 SKF  CR29887 LYC  53209 U RIV  N202 SKF  NJ2315ECN2ML* SKF  23234CCK/W33 STEYR  NU215E INA  RSRB13-117-L0 NMB  R-2610ZZ SKF  23226CCK/W33+H2326 INA  ZGB160X180X150 RHP  7203B IKO  CR36R

版权所有©2009-2015 轴承狗zcgou.com ICP备案:津ICP备14004550号-13