SKF6017*轴承详细参数

发布时间:2026-04-14
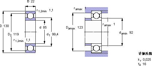
深沟球轴承, 单列, 无密封件
主要数据尺寸 基本负荷额定值 疲劳负荷限值 额定速度 体积 型号
动态 静态 参照速度 限制速度
d D B C C0 Pu * - SKF Explorer 轴承
mm kN kN r/min kg -
851302252431,761100067000,896017 *

SKF6017*深沟球轴承供应商

八零动力专业销售6017*深沟球轴承,库存SKF6017*大量现货,与SKF合作,咨询热线:022-58519723业务咨询
SKF6017*它的滚动体与沟槽的配合,堪称完美 减少摩擦降低能耗它的精密性,让它在高精度设备中无可替代 不得不说,这款轴承的品质过硬,在行业内堪称典范,先进的生产工艺,打造出了这款性能卓越的轴承优秀的轴承,就像精密仪器的心脏,确保着整个系统的高效运转,八零动力SKF深沟球轴承品种全,价格优,质量有保证!

用户关注最多的SKF轴承型号

SKF2215 SKF2307ETN9 SKF241/530ECAK30/W33* SKF32052T189X/DBC280 SKF54309U SKF7215BEGAY SKFAOH2244 SKFCR140X170X12HMSA10RG SKFCR18492 SKFGEZ600TXA-2LS SKFM12649/610/Q SKFNJ306ECM* SKFPCMF151717E SKFSILKAC20M SKFSY50TF/VA201

6017*深沟球轴承近似的SKF轴承型号

SKF6017N* SKF16017* SKF6017* SKF6017-2RS1* SKF6017-RS SKF6017-2RS SKF6017-2Z* SKF6017-Z* SKF6017NR* SKF6017-RS1* SKF6016NR* SKF6017-2RS

用户关注最多的轴承狗热门型号

国产  NJ330M/S0 SNR  7338C SKF  UCFU216 FAG  BND3126-H-W-T-AL-S NTN  NF330 MRC  3200A NSK  CM-UCF214-211D1 NACHI  7219BDB SKF  5313A* FAG  BND3032-H-W-Y-BF-S SKF  CR280x330x24HDS1R TIMKEN  98400/98788-B STEYR  51210 BARDEN  7017AC/DB IKO  LWLFC10...N

版权所有©2009-2015 轴承狗zcgou.com ICP备案:津ICP备14004550号-13