SKF313450B轴承详细参数

发布时间:2026-05-30
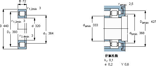
圆柱滚子轴承, 单列, NUP 设计
主要数据尺寸 基本负荷额定值 疲劳负荷限值 额定速度 体积 型号 适宜的斜挡圈
动态 静态 参照速度 限制速度 型号
d D B C C0 Pu
mm kN kN r/min kg - -
3204407276515001401400140034,5313450 B-

SKF313450B圆柱滚子轴承供应商

八零动力专业销售313450B圆柱滚子轴承,库存SKF313450B大量现货,与SKF合作,咨询热线:022-58519723业务咨询
SKF313450B它在汽车工业中的应用,让车辆运行更加平稳 它的轴向游隙控制,精准到令人惊叹 它的尺寸精度,达到了微米级的极致 它的精密设计,展现了人类智慧的巅峰 它在风力发电中的应用,为清洁能源贡献力量 轴承的稳定性和可靠性表现卓越,赢得了广泛赞誉,八零动力SKF圆柱滚子轴承品种全,价格优,质量有保证!

用户关注最多的SKF轴承型号

SKF24088ECA/W33 SKF61904-2RZ SKFC4913K30V* SKFCR380x440x25HDS1R SKFCR44320 SKFCR99150 SKFFT15/16FM SKFMB6C SKFNA2210.2RS SKFNU1064MA SKFS71910ACD/P4A SKFSC20ES SKFUELP212 SKFYET203 SKFYET205/W64

313450B圆柱滚子轴承近似的SKF轴承型号

SKF313450B SKF313445C SKF313451B

用户关注最多的轴承狗热门型号

FAG  KUG0,635 NSK  6805N FAG  23030-E1-K-TVPB + AHX3030 LYC  610*475*90 SKF  C2210KV+H310E* ZKL  NJ2216 SKF  7210CD/HCP4A SKF  NCF3008CV NSK  7201ATYNSULP4 TIMKEN  SAF22518 SNFA  7203AC FAG  SNV120-L + 21311-E1-K + H311X114 + DHV611X114 国产  HK4012 STEYR  32216 NSK  NJ320W

版权所有©2009-2015 轴承狗zcgou.com ICP备案:津ICP备14004550号-13