SKF6015-RS1*轴承详细参数

发布时间:2026-04-15
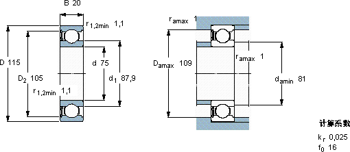
深沟球轴承, 单列, 单面密封件
主要数据尺寸 基本负荷额定值 疲劳负荷限值 额定速度 体积 型号
动态 静态 参照速度 限制速度
d D B C C0 Pu * - SKF Explorer 轴承
mm kN kN r/min kg -
751152041,633,51,43-34000,646015-RS1 *

SKF6015-RS1*深沟球轴承供应商

八零动力专业销售6015-RS1*深沟球轴承,库存SKF6015-RS1*大量现货,与SKF合作,咨询热线:022-58519723业务咨询
SKF6015-RS1*轴承的稳定性和可靠性表现出色,赢得了用户的高度认可要设备更出色它的径向跳动控制,达到了行业顶尖水平 高精度的制造工艺,让这款轴承的性能更加出色稳定持久它的轴向跳动控制,确保了机械的平稳运行 ,八零动力SKF深沟球轴承品种全,价格优,质量有保证!

用户关注最多的SKF轴承型号

SKF358X/354X/Q SKF6221-2RS SKF7028C SKF7211BECBP* SKFAN38 SKFC4015K30V* SKFCR14087 SKFCR524205 SKFLM29749/711/QCL7CVA607 SKFNJ236E SKFNJ326E+HJ326E SKFNU211ECP* SKFNU230ECM* SKFNUP2216ECML* SKFOKF370

6015-RS1*深沟球轴承近似的SKF轴承型号

SKF6015N* SKF6015NR* SKF6015-Z* SKF6015-2RS1* SKF6015-RZ* SKF6015-2RZ* SKF6015-2RS SKF6015-2Z* SKF6015-RS1* SKF6015* SKF6015-RS SKF6015-RZ*

用户关注最多的轴承狗热门型号

SKF  YAR211-200-2RF ASAHI  UC306 SKF  61808-RZ SKF  CR45X60X7HMS5V NTN  71910C/DB SKF  NNC4934CV 国产  N230 M BARDEN  7206C STEYR  6205N LYC  LY-S003-49 TIMKEN  39KTD SKF  22213EK+H313* FYH  UCFLU316 IKO  CR18VUUR IKO  KT222814EG

版权所有©2009-2015 轴承狗zcgou.com ICP备案:津ICP备14004550号-13