SKF6015-2RS1*轴承详细参数

发布时间:2026-04-15
深沟球轴承, 单列, 两面密封件
主要数据尺寸 基本负荷额定值 疲劳负荷限值 额定速度 体积 型号
动态 静态 参照速度 限制速度
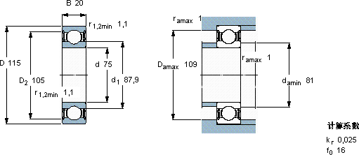
d D B C C0 Pu * - SKF Explorer 轴承
mm kN kN r/min kg -
751152041,633,51,43-34000,646015-2RS1 *

SKF6015-2RS1*深沟球轴承供应商

八零动力专业销售6015-2RS1*深沟球轴承,库存SKF6015-2RS1*大量现货,与SKF合作,咨询热线:022-58519723业务咨询
SKF6015-2RS1*不得不说,这款轴承的品质过硬,在行业内堪称典范,它的轻量化设计,减少了材料的使用 制造工艺精湛,使得这款轴承在运转时更加顺畅平稳设计合理、性能优良的它,是机械设备稳定运行的重要保障精准承载稳定持久,八零动力SKF深沟球轴承品种全,价格优,质量有保证!

用户关注最多的SKF轴承型号

SKF29240 SKF30330 SKF6003* SKF6206* SKF71816ACD/HCP4 SKFBT4B331626AG/HA1 SKFC3044K+AOH3044G* SKFCR125X150X12HMSA10RG SKFCR15733 SKFCR20455 SKFCR22X40X10HMS5V SKFCR3450560 SKFCR413500 SKFHA313 SKFW6306

6015-2RS1*深沟球轴承近似的SKF轴承型号

SKF6015-2Z* SKF6015NR* SKF6015-RZ* SKF6015* SKF16015* SKF6015-RS1* SKF6015-RS SKF6015-2RS SKF6015-2RZ* SKF6015-Z* SKF6015-2RS SKF6015-2RZ*

用户关注最多的轴承狗热门型号

TIMKEN  M249734/M249710CD SKF  CR19306 LYC  9019464 SKF  CR22X30X4HM4R NTN  7915CDT INA  SL185007 SKF  BTM110A/HCP4CDBB SKF  CR50X75X8CRWA1R TIMKEN  XLS64K2 SKF  CR99291 SKF  NJ217E+HJ217E TIMKEN  52375 /52630XB TIMKEN  9185/9121 FAG  SNV100-L + 22211-E1-K + H311X115 + DHV511X115 SKF  OKBS121

版权所有©2009-2015 轴承狗zcgou.com ICP备案:津ICP备14004550号-13