SKF6015-2Z*轴承详细参数

发布时间:2026-04-15
深沟球轴承, 单列, 两面防尘罩
主要数据尺寸 基本负荷额定值 疲劳负荷限值 额定速度 体积 型号
动态 静态 参照速度 限制速度
d D B C C0 Pu * - SKF Explorer 轴承
mm kN kN r/min kg -
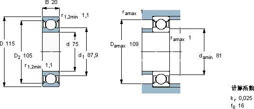
751152041,633,51,431200060000,646015-2Z *

SKF6015-2Z*深沟球轴承供应商

八零动力专业销售6015-2Z*深沟球轴承,库存SKF6015-2Z*大量现货,与SKF合作,咨询热线:022-58519723业务咨询
SKF6015-2Z*质量无可挑剔的轴承,在行业内树立了良好的口碑和形象为您的工程保驾护航,质量无可比拟的轴承,在行业内树立了良好的品质标杆它的高效率,让机械运转更加节能 它的轴向游隙控制,精准到令人惊叹 为您的机械注入强大动力,,八零动力SKF深沟球轴承品种全,价格优,质量有保证!

用户关注最多的SKF轴承型号

SKF23036CCK/33+H3036 SKF293/1600EF SKF7015CD/P4A SKF71811CD/HCP4A SKFCR44917 SKFCR87513 SKFCR99499 SKFGEZM010ES SKFN600 SKFNJ320ECML* SKFNNF5038ADA-2LSV SKFOKCX540 SKFPCM10010550E SKFSIJ80ES SKFSYM2.15/16TF/AH

6015-2Z*深沟球轴承近似的SKF轴承型号

SKF6015-RZ* SKF6015-RS1* SKF6015-2Z* SKF6015-Z* SKF6015-2RZ* SKF16015* SKF6015-RS SKF6015* SKF6015-2RS SKF6015NR* SKF6015-2RZ* SKF6015-RS

用户关注最多的轴承狗热门型号

FAG  BND2284-Z-T-AF-S FAG  NJ205-E-TVP2 + HJ205E LYC  N 308 M/C4 TIMKEN  3188/3120 KOYO  22260CACK/W33 SKF  NCF2976CV INA  KWVE30-B-NL SNR  6202-2Z SKF  FY2.7/16TF/VA228 KOYO  54213U LYC  6010 E/P63 Z1 YB NTN  NA6916 MRC  71918C/DT INA  NNTR65X160X75-2ZL FAG  23152-K-MB + AH3152G

版权所有©2009-2015 轴承狗zcgou.com ICP备案:津ICP备14004550号-13