SKF351175C轴承详细参数

发布时间:2026-05-30
圆锥滚子推力轴承, 双向
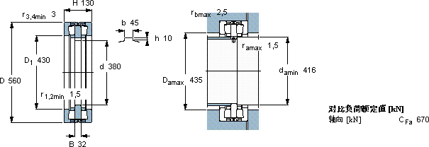
主要数据尺寸 基本负荷额定值 疲劳负荷限值 最小负荷系数 型号
动态 静态
d D H C C0 Pu
mm kN kN kg -
380560130179010000670110351175 C

SKF351175C圆锥滚子推力轴承供应商

八零动力专业销售351175C圆锥滚子推力轴承,库存SKF351175C大量现货,与SKF合作,咨询热线:022-58519723业务咨询
SKF351175C这款轴承的运转平稳,几乎听不到任何噪音,令人惊艳轴承的稳定性和可靠性都十分出色,赢得了用户的信赖它的尺寸一致性,让批量生产成为可能 它的加工精度,确保了机械运转的稳定性 它的润滑技术,让摩擦降至最低 以精湛工艺,八零动力SKF圆锥滚子推力轴承品种全,价格优,质量有保证!

用户关注最多的SKF轴承型号

SKF1211EKTN9+H211 SKF23052-2CS5K/VT143* SKF626* SKFC39/800KMB* SKFCR22X42X10HMSA10RG SKFCR30X37X4HM4R SKFCR35x68x8CRW1R SKFGE260ES SKFHM261049/010 SKFK35x40x17 SKFN1892M2P/HB3 SKFNUP2207E SKFRN-1.5x6.8BF/G2 SKFSYE2.1/2-18 SKFYAR212-207-2F/AH

351175C圆锥滚子推力轴承近似的SKF轴承型号

SKF351175C SKF351164C SKF351182C

用户关注最多的轴承狗热门型号

RHP  6019-2RS KOYO  6212-2RS SKF  CR7829 TIMKEN  3382/3325 国产  6002-RS TORRINGTON  23092CACK/W33 TIMKEN  25580/25520D MRC  7330B/DT 国产  QJ1060 MRC  NU205 SKF  313030A FAG  HCB7019-E-2RSD-T-P4S NTN  NUP220 NSK  NUP2204W IKO  CFE24V

版权所有©2009-2015 轴承狗zcgou.com ICP备案:津ICP备14004550号-13