SKF351182C轴承详细参数

发布时间:2026-04-14
圆锥滚子推力轴承, 双向
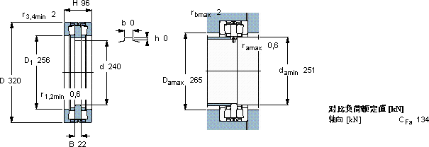
主要数据尺寸 基本负荷额定值 疲劳负荷限值 最小负荷系数 型号
动态 静态
d D H C C0 Pu
mm kN kN kg -
24032096418190014321,5351182 C

SKF351182C圆锥滚子推力轴承供应商

八零动力专业销售351182C圆锥滚子推力轴承,库存SKF351182C大量现货,与SKF合作,咨询热线:022-58519723业务咨询
SKF351182C制造工艺精湛,使得这款轴承的精度、稳定性和耐用性都非常出色它在船舶工业中的应用,展现了它的耐腐蚀性 先进的制造工艺,让这款轴承的性能更加稳定可靠匠心制造它的设计巧妙,在保证性能的同时,还兼顾了安装的便捷性它的精密装配,确保了整体性能的卓越 ,八零动力SKF圆锥滚子推力轴承品种全,价格优,质量有保证!

用户关注最多的SKF轴承型号

SKF6016N* SKF6024-RS1* SKF7019C/DB SKFBT4B332188/HA1 SKFC2315K* SKFFYR1.11/16-18 SKFFYT2.TF/VA201 SKFGEH25TXE-2LS SKFNJ228E+HJ228E SKFNJ238ECMA* SKFNN3032/SPW33 SKFNNCF5005CV SKFNNU41/500M/W33 SKFNUP2217E SKFW618/4R

351182C圆锥滚子推力轴承近似的SKF轴承型号

SKF351182C SKF351175C SKF351195

用户关注最多的轴承狗热门型号

TIMKEN  EE128111/128160 LYC  6213 E/C3Z1 FAG  SNV200-L + 22319-E1-K + H2319 + TSV619 ZKL  NU409 LYC  16008/P5 TIMKEN  GRA009RRB FAG  22208-E1-K TIMKEN  K25X30X24H NACHI  NUP2216 MRC  NU1026 TIMKEN  2585/2523 MRC  7313AC/DF SKF  YEL207-107-2FCW LYC  6200 E/YA FAG  231SM410-MA

版权所有©2009-2015 轴承狗zcgou.com ICP备案:津ICP备14004550号-13